2021年一级造价工程师《案例分析(土建与安装)》临考卷(一)
搜题
1、拟建某工业性生产项目,建设期为2年,运营期为6年。基础数据如下:
1.建设投资为2120万元,其中:预计形成固定资产2000万元,无形资产120万元。固定资产使用年限为8年,残值率为5%,按平均年限法计算折旧。在运营期末回收固定资产余值。无形资产在运营期内均匀摊入成本。
2.本项目固定资产投资资金来源为贷款和自有资金,自有资金520万元在建设期内均衡投入,建设期贷款发生在建设期第2年,贷款本金为1600万元,贷款年利率10%,按年计息,还款方式为在运营期内等额还本付息(等额本息法),还款年利率按10%计。
3.流动资金800万元,在项目计算期末回收。资金来源详见项目资金投入表。流动资金贷款年利率为3%,还款方式为运营期内每年末只还当年利息,项目期末偿还本金。
4.项目投产即达产,设计生产能力为100万件,预计产品不含税销售价为30元/件,增值税税率13%,增值税附加税率为6%,企业所得税税率为15%。年经营成本为1700万元(不含可抵扣的进项税),可抵扣的进项税为210万元。
5.经营成本的2%、折旧费、摊销费、利息计入固定成本,经营成本的98%计入可变成本。
6.行业的投资收益率为20%,行业净利润率为25%。

问题:
1.列示计算该项目计算期内各年的应付利息和应还本金。
2.填写项目的总成本费用(不含可抵扣的进项税额)估算表1-2,并计算项目的年平均固定成本及单位可变成本。

3.计算项目的盈亏平衡产量和盈亏平衡单价,对项目进行盈亏平衡分析。(单位可变产品可抵扣的进项税额为2.1元/件)
4.站在利润与利润分配表角度,计算项目运营期第1年的总投资收益率、项目资本金净利润率。
(计算结果保留两位小数)
1.建设投资为2120万元,其中:预计形成固定资产2000万元,无形资产120万元。固定资产使用年限为8年,残值率为5%,按平均年限法计算折旧。在运营期末回收固定资产余值。无形资产在运营期内均匀摊入成本。
2.本项目固定资产投资资金来源为贷款和自有资金,自有资金520万元在建设期内均衡投入,建设期贷款发生在建设期第2年,贷款本金为1600万元,贷款年利率10%,按年计息,还款方式为在运营期内等额还本付息(等额本息法),还款年利率按10%计。
3.流动资金800万元,在项目计算期末回收。资金来源详见项目资金投入表。流动资金贷款年利率为3%,还款方式为运营期内每年末只还当年利息,项目期末偿还本金。
4.项目投产即达产,设计生产能力为100万件,预计产品不含税销售价为30元/件,增值税税率13%,增值税附加税率为6%,企业所得税税率为15%。年经营成本为1700万元(不含可抵扣的进项税),可抵扣的进项税为210万元。
5.经营成本的2%、折旧费、摊销费、利息计入固定成本,经营成本的98%计入可变成本。
6.行业的投资收益率为20%,行业净利润率为25%。

问题:
1.列示计算该项目计算期内各年的应付利息和应还本金。
2.填写项目的总成本费用(不含可抵扣的进项税额)估算表1-2,并计算项目的年平均固定成本及单位可变成本。

3.计算项目的盈亏平衡产量和盈亏平衡单价,对项目进行盈亏平衡分析。(单位可变产品可抵扣的进项税额为2.1元/件)
4.站在利润与利润分配表角度,计算项目运营期第1年的总投资收益率、项目资本金净利润率。
(计算结果保留两位小数)
本题答案:
问题1:
(1)建设期贷款利息=1600/2×10%=80(万元)
(2)运营期流动资金贷款利息
运营期第一年流动资金贷款利息=500×3%=15(万元)
运营期第二年~第六年流动资金贷款利息=(500+100)×3%=18(万元)
(3)运营期内流动资金本金偿还
运营期第1~5年流动资金偿还本金=0(万元)
运营期第6年流动资金偿还本金=600(万元)
(4)运营期内建设期贷款的偿还
运营期第1年期初借款余额=1600+80=1680(万元)
每年应偿还的本息额=1680×(A/P,10%,6)=385.74(万元)
运营期第1年应付利息=1680×10%=168(万元)
运营期第1年应还本金=385.74-168=217.74(万元)
运营期第2年应付利息=(1680-217.74)×10%=1462.26×10%=146.23(万元)
运营期第2年应还本金=385.74-146.23=239.51(万元)
运营期第3年应付利息=(1462.26-239.51)×10%=1222.75×10%=122.28(万元)
运营期第3年应还本金=385.74-122.28=263.46(万元)
运营期第4年应付利息=(1222.75-263.46)×10%=959.29×10%=95.93(万元)
运营期第4年应还本金=385.74-95.93=289.81(万元)
运营期第5年应付利息=(959.29-289.81)×10%=669.48×10%=66.95(万元)
运营期第5年应还本金=385.74-66.95=318.79(万元)
运营期第6年应付利息=(669.48-318.79)×10%=35.07(万元)
运营期第6年应还本金=385.74-35.07=350.67(万元)
问题2:
年折旧费=[(2000+80)×(1-5%)]÷8=247(万元)
年摊销费=120÷6=20(万元)

年平均固定成本=(484+465.23+441.28+414.93+385.93+354.07)÷6=424.24(万元)
单位产品可变成本=1666÷100=16.66(元/件)
问题3:
盈亏平衡产量=424.24/[30-16.66-(30×13%-2.1)×6%]=424.24/13.23=32.06(万件)
盈亏平衡单价=(424.24+16.66×100-100×2.1×6%)/[100×(1-13%×6%)]=2077.64/99.22=20.94(元/件)
该项目盈亏平衡产量为32.06万件,远远低于设计生产能力100万件;盈亏平衡单价为20.94元,也低于预计单价30元,说明该项目抗风险能力较强。
问题4:
利润总额=营业收入(不含税)-总成本(不含税)-增值税附加费=30×100-2150-(30×100×13%-210)×6%=839.20(万元)
所得税=839.20×15%=125.88(万元)
净利润=839.20-125.88=713.32(万元)
息税前利润(EBIT)=利润总额+利息支出=839.20+183=1022.20(万元)
总投资收益率=[1022.20/(2120+80+700)]×100%=35.25%(注:此处流动资金考虑运营期第1年的)
资本金净利润率(ROE)=[713.32/(520+200)]×100%=99.07%
问题1:
(1)建设期贷款利息=1600/2×10%=80(万元)
(2)运营期流动资金贷款利息
运营期第一年流动资金贷款利息=500×3%=15(万元)
运营期第二年~第六年流动资金贷款利息=(500+100)×3%=18(万元)
(3)运营期内流动资金本金偿还
运营期第1~5年流动资金偿还本金=0(万元)
运营期第6年流动资金偿还本金=600(万元)
(4)运营期内建设期贷款的偿还
运营期第1年期初借款余额=1600+80=1680(万元)
每年应偿还的本息额=1680×(A/P,10%,6)=385.74(万元)
运营期第1年应付利息=1680×10%=168(万元)
运营期第1年应还本金=385.74-168=217.74(万元)
运营期第2年应付利息=(1680-217.74)×10%=1462.26×10%=146.23(万元)
运营期第2年应还本金=385.74-146.23=239.51(万元)
运营期第3年应付利息=(1462.26-239.51)×10%=1222.75×10%=122.28(万元)
运营期第3年应还本金=385.74-122.28=263.46(万元)
运营期第4年应付利息=(1222.75-263.46)×10%=959.29×10%=95.93(万元)
运营期第4年应还本金=385.74-95.93=289.81(万元)
运营期第5年应付利息=(959.29-289.81)×10%=669.48×10%=66.95(万元)
运营期第5年应还本金=385.74-66.95=318.79(万元)
运营期第6年应付利息=(669.48-318.79)×10%=35.07(万元)
运营期第6年应还本金=385.74-35.07=350.67(万元)
问题2:
年折旧费=[(2000+80)×(1-5%)]÷8=247(万元)
年摊销费=120÷6=20(万元)

年平均固定成本=(484+465.23+441.28+414.93+385.93+354.07)÷6=424.24(万元)
单位产品可变成本=1666÷100=16.66(元/件)
问题3:
盈亏平衡产量=424.24/[30-16.66-(30×13%-2.1)×6%]=424.24/13.23=32.06(万件)
盈亏平衡单价=(424.24+16.66×100-100×2.1×6%)/[100×(1-13%×6%)]=2077.64/99.22=20.94(元/件)
该项目盈亏平衡产量为32.06万件,远远低于设计生产能力100万件;盈亏平衡单价为20.94元,也低于预计单价30元,说明该项目抗风险能力较强。
问题4:
利润总额=营业收入(不含税)-总成本(不含税)-增值税附加费=30×100-2150-(30×100×13%-210)×6%=839.20(万元)
所得税=839.20×15%=125.88(万元)
净利润=839.20-125.88=713.32(万元)
息税前利润(EBIT)=利润总额+利息支出=839.20+183=1022.20(万元)
总投资收益率=[1022.20/(2120+80+700)]×100%=35.25%(注:此处流动资金考虑运营期第1年的)
资本金净利润率(ROE)=[713.32/(520+200)]×100%=99.07%
2、某建设单位拟自建一幢地上16层的综合办公楼项目(地上建筑面积为2.4万m2,单方造价3500元/m2,设计使用年限40年)。根据有关规定,该项目应带有一定规模的地下人防工程,如果不带人防工程需按项目总造价的2%交纳人防工程配套费(工程配套费作为工程造价组成部分,以地上和地下造价为基础)。
因此,设计院对该项目地下部分提出了两个设计方案:方案A为不建人防工程,地下可利用空间用于建停车场;方案B为建规定规模的人防工程,剩余可利用空间用于建停车场。
不同方案地下工程相关技术经济参数见表2.1,年基准折现率6%。
表2.1不同方案地下工程相关技术经济参数表

表2.2资金等值换算系数表

问题:
1.分别计算两方案的工程项目总造价(包括地上和地下部分)。
2.分别计算两方案的停车位年均总收益(不考虑车库大修损失)。
3.计算两方案的地下工程生命周期年度费用(不考虑建设工期的影响,地下工程建设造价在期初一次性投入,均形成固定资产,无残值),并选择最经济方案。
4.地下工程挖土机械测时纪录为,所需机械的一次循环的正常延续时间为12分钟,一次循环生产的产量为0.3m3,该机械的正常利用系数为0.8,机械幅度差系数为25%,计算完成每m3挖土所需的预算机械台班消耗指标。
因此,设计院对该项目地下部分提出了两个设计方案:方案A为不建人防工程,地下可利用空间用于建停车场;方案B为建规定规模的人防工程,剩余可利用空间用于建停车场。
不同方案地下工程相关技术经济参数见表2.1,年基准折现率6%。
表2.1不同方案地下工程相关技术经济参数表

表2.2资金等值换算系数表

问题:
1.分别计算两方案的工程项目总造价(包括地上和地下部分)。
2.分别计算两方案的停车位年均总收益(不考虑车库大修损失)。
3.计算两方案的地下工程生命周期年度费用(不考虑建设工期的影响,地下工程建设造价在期初一次性投入,均形成固定资产,无残值),并选择最经济方案。
4.地下工程挖土机械测时纪录为,所需机械的一次循环的正常延续时间为12分钟,一次循环生产的产量为0.3m3,该机械的正常利用系数为0.8,机械幅度差系数为25%,计算完成每m3挖土所需的预算机械台班消耗指标。
本题答案:
问题1:
方案A工程项目总造价:2.4×3500+2000+10400×2%=10608(万元)
方案B工程项目总造价:2.4×3500+2300=10700(万元)
问题2:
方案A停车位年均总收益:100×1.2=120(万元)
方案B停车位年均总收益:60×1.5=90(万元)
问题3:
方案A地下工程生命周期年度费用:(50-120)+{(2000+208)+(300+0.3×100)×[(P/F,6%,10)+(P/F,6%,20)+(P/F,6%,30)]}×(A/P,6%,40)
=-70+{2208+330×[0.5584+0.3118+0.1441]}×0.0665=-70+{2208+334.72}×0.0665=99.09(万元)
方案B地下工程生命周期年度费用:
(35-90)+{2300+(110+0.4×60)×[(P/F,6%,10)+(P/F,6%,20)+(P/F,6%,30)]+160×[(P/F,6%,15)+(P/F,6%,30)]}×(A/P,6%,40)
=-55+{2300+134×[0.5584+0.3118+0.1441]+160×[0.4173+0.1441]}×0.0665=-55+{2300+135.92+89.82}×0.0665=112.96(万元)
根据计算结果,方案A为最经济方案。
问题4:
机械纯工作一小时的正常生产率为:60/12×0.3m³/次=1.5(m³/h)
施工机械台班产量定额为:1.5×8×0.8=9.6(m³/台班)
施工机械台班时间定额为:1/9.6=0.104(台班/m³)
机械台班预算定额的消耗指标:0.104×(1+25%)=0.13(台班/m³)
问题1:
方案A工程项目总造价:2.4×3500+2000+10400×2%=10608(万元)
方案B工程项目总造价:2.4×3500+2300=10700(万元)
问题2:
方案A停车位年均总收益:100×1.2=120(万元)
方案B停车位年均总收益:60×1.5=90(万元)
问题3:
方案A地下工程生命周期年度费用:(50-120)+{(2000+208)+(300+0.3×100)×[(P/F,6%,10)+(P/F,6%,20)+(P/F,6%,30)]}×(A/P,6%,40)
=-70+{2208+330×[0.5584+0.3118+0.1441]}×0.0665=-70+{2208+334.72}×0.0665=99.09(万元)
方案B地下工程生命周期年度费用:
(35-90)+{2300+(110+0.4×60)×[(P/F,6%,10)+(P/F,6%,20)+(P/F,6%,30)]+160×[(P/F,6%,15)+(P/F,6%,30)]}×(A/P,6%,40)
=-55+{2300+134×[0.5584+0.3118+0.1441]+160×[0.4173+0.1441]}×0.0665=-55+{2300+135.92+89.82}×0.0665=112.96(万元)
根据计算结果,方案A为最经济方案。
问题4:
机械纯工作一小时的正常生产率为:60/12×0.3m³/次=1.5(m³/h)
施工机械台班产量定额为:1.5×8×0.8=9.6(m³/台班)
施工机械台班时间定额为:1/9.6=0.104(台班/m³)
机械台班预算定额的消耗指标:0.104×(1+25%)=0.13(台班/m³)
3、某群体工程,主楼地下二层,地上八层,总建筑面积26800m2,现浇钢筋混凝土框剪结构。经公开招投标,总承包单位以31922.13万元中标,其中暂定金额1000万元。建设单位分别与施工单位、监理单位按照《建设工程施工合同(示范文本)》(GF—2013—0201)、《建设工程监理合同(示范文本)》(GF—2012—0202)签订了施工合同和监理合同。
施工合同工期25个月,2019年7月1日开工,合同约定在项目开工前7天内支付工程预付款,预付比例为中标价的20%。由于该工程急于投入使用,在合同中还约定,工程每提前(或拖延)1天奖励(或罚款)3000元(含税费)。
合同履行过程中,发生了下列事件:

事件一:该单位工程的施工进度计划网络图如图1所示。因工艺设计采用某专利技术,工作F需要工作B和工作C完成以后才能开始施工。施工单位对该进度计划网络图进行了调整。
事件二:总承包单位于合同约定之日正式开工,截至2019年7月8日建设单位仍未支付工程预付款,于是总承包单位向建设单位提出如下索赔:购置钢筋资金占用费1.88万元、利润18.26万元、税金0.58万元,监理工程师签认情况属实。
事件三:由于项目功能调整变更设计,导致工作C中途出现停歇,持续时间比原计划超出2个月,造成施工人员窝工损失13.6万元/月×2月=27.2万元;
事件四:当地发生百年一遇大暴雨引发泥石流,导致工作E停工、清理恢复施工共用时3个月,造成施工设备损失费用8.2万元、清理和修复工程费用24.5万元。
针对上述事件二、三、四事件,施工单位在有效时限内分别向建设单位提出了工期索赔及费用索赔(所有事项均与实际相符)。最后该工程按合同工期完成。
问题:
1.绘制事件一中调整后的施工进度计划网络图(双代号),指出其关键线路(用工作表示),并计算其总工期(单位:月)。说明调整后的工期能否满足合同要求?
2.说明事件二中总承包单位的哪些索赔成立?
3.事件三中,施工单位的工期索赔和费用索赔是否成立,并说明理由。
4.事件四中,施工单位的工期索赔和费用索赔是否成立,并说明理由。
施工合同工期25个月,2019年7月1日开工,合同约定在项目开工前7天内支付工程预付款,预付比例为中标价的20%。由于该工程急于投入使用,在合同中还约定,工程每提前(或拖延)1天奖励(或罚款)3000元(含税费)。
合同履行过程中,发生了下列事件:

事件一:该单位工程的施工进度计划网络图如图1所示。因工艺设计采用某专利技术,工作F需要工作B和工作C完成以后才能开始施工。施工单位对该进度计划网络图进行了调整。
事件二:总承包单位于合同约定之日正式开工,截至2019年7月8日建设单位仍未支付工程预付款,于是总承包单位向建设单位提出如下索赔:购置钢筋资金占用费1.88万元、利润18.26万元、税金0.58万元,监理工程师签认情况属实。
事件三:由于项目功能调整变更设计,导致工作C中途出现停歇,持续时间比原计划超出2个月,造成施工人员窝工损失13.6万元/月×2月=27.2万元;
事件四:当地发生百年一遇大暴雨引发泥石流,导致工作E停工、清理恢复施工共用时3个月,造成施工设备损失费用8.2万元、清理和修复工程费用24.5万元。
针对上述事件二、三、四事件,施工单位在有效时限内分别向建设单位提出了工期索赔及费用索赔(所有事项均与实际相符)。最后该工程按合同工期完成。
问题:
1.绘制事件一中调整后的施工进度计划网络图(双代号),指出其关键线路(用工作表示),并计算其总工期(单位:月)。说明调整后的工期能否满足合同要求?
2.说明事件二中总承包单位的哪些索赔成立?
3.事件三中,施工单位的工期索赔和费用索赔是否成立,并说明理由。
4.事件四中,施工单位的工期索赔和费用索赔是否成立,并说明理由。
本题答案:
问题1:

网络图中关键线路有两条,分别是A→B→F→H→I和A→D→G→H→I。
调整后的计划总工期为25个月,与合同工期一致,满足合同要求。
问题2:
总包单位的购置钢筋占用费可以索赔,利润和税金不能索赔。因为建设单位延期支付预付款,施工单位购置工程所需材料时,自己垫付款项,所以造成了其资金的占用,增加了资金成本,属于建设单位的责任,故资金占用费可以索赔。而利润和税金不能索赔,因为材料费的利润、税金已经包含在投标总价中,并未使工程量有所减少,故不能索赔。
问题3:
工期索赔成立。因为C为非关键工作,总时差为1个月,设计变更后导致工期延误2个月,对总工期影响只有1个月,所以,C工作可提出工期索赔1个月。
费用索赔成立。C工作可提出费用索赔27.2万元。因为设计变更是非承包商原因导致的承包商自身经济损失,承包商有权对建设单位提出费用索赔。
问题4:
工期索赔不成立。因为E为非关键工作,总时差为5个月,不可抗力导致了工期延误3个月,延误时长未超过总时差,所以工期索赔不成立。
24.5万的清理和修复费用是可以索赔的,因为在不可抗力后的清理和维修费用,应该由建设单位承担的。但8.2万元是不可抗力导致施工设备损失的费用,不能向建设单位索赔,需要施工单位自己承担。
问题1:

网络图中关键线路有两条,分别是A→B→F→H→I和A→D→G→H→I。
调整后的计划总工期为25个月,与合同工期一致,满足合同要求。
问题2:
总包单位的购置钢筋占用费可以索赔,利润和税金不能索赔。因为建设单位延期支付预付款,施工单位购置工程所需材料时,自己垫付款项,所以造成了其资金的占用,增加了资金成本,属于建设单位的责任,故资金占用费可以索赔。而利润和税金不能索赔,因为材料费的利润、税金已经包含在投标总价中,并未使工程量有所减少,故不能索赔。
问题3:
工期索赔成立。因为C为非关键工作,总时差为1个月,设计变更后导致工期延误2个月,对总工期影响只有1个月,所以,C工作可提出工期索赔1个月。
费用索赔成立。C工作可提出费用索赔27.2万元。因为设计变更是非承包商原因导致的承包商自身经济损失,承包商有权对建设单位提出费用索赔。
问题4:
工期索赔不成立。因为E为非关键工作,总时差为5个月,不可抗力导致了工期延误3个月,延误时长未超过总时差,所以工期索赔不成立。
24.5万的清理和修复费用是可以索赔的,因为在不可抗力后的清理和维修费用,应该由建设单位承担的。但8.2万元是不可抗力导致施工设备损失的费用,不能向建设单位索赔,需要施工单位自己承担。
4、某工程,建设单位与施工单位按照《建设工程施工合同(示范文本)》签订了施工承包合同。合同约定:工期6个月;A、B工作所用的材料由建设单位采购;施工期间若遇物价上涨,只对钢材、水泥和石子的价格进行调整,调整依据为工程造价管理部门公布的材料价格指数。该工程的各项工作按最早开始时间安排,按月匀速施工,经总监理工程师批准的施工进度计划如下图所示。(各月均按计划完成工程量)

招标文件中工程量清单所列各项工作的估算工程量和施工单位的报价如下表所示。

工程有关付款条款如下:
(1)开工前业主应向承包商支付估算合同总价20%的工程预付款。
(2)业主自第一个月起,从承包商的工程款中,按5%的比例扣留质量保证金。规费税金的综合费率取14%。
(3)当累计实际完成工程量超过(或低于)估算工程量的15%时,可进行调价,调价系数为0.9(或1.1)。
(4)工程预付款从承包人获得累计工程款(含预付款)超过估算合同价的60%以后的下一个月起,分三个月均匀扣除。
(5)本案例中,人材机费、管理费、利润、规费均不含税。
施工过程中,发生如下事件:
事件1:施工单位有两台大型机械设备需要进场,施工单位提出应由建设单位支付其进场费,但建设单位不同意另行支付。
事件2:建设单位提供的材料运抵现场后,项目监理机构要求施工单位及时送检,但施工单位称施工合同专用条款并未对此作出约定。因此,建设单位提供的材料,施工单位没有送检的义务,若一定要施工单位送检,则由建设单位支付材料检测费用。
事件3:由于施工机械故障,G工作的开始时间推迟了1个月。第6个月恰遇建筑材料价格大幅上涨,造成F、G工作的造价提高,造价管理部门公布的价格指数见下表。施工单位随即向项目监理机构提出了调整F、G工作结算单价的要求。经测算,F、G工作的单价中,钢材、水泥和骨料的价格所占比例均分别为25%、35%和10%。

问题:
1.工程预付款是多少?工程预付款从哪个月起扣回?
2.工程的四月份完成工程量价款是多少?四月份应签发的工程款是多少?
3.事件1中,建设单位的做法是否正确?说明理由。
4.事件2中,施工单位说法是否正确?说明理由。
5.事件3中,施工单位提出调整F和G工作单价的要求是否合理?说明理由。如果可以调整,请列式计算调整后的单价。

招标文件中工程量清单所列各项工作的估算工程量和施工单位的报价如下表所示。

工程有关付款条款如下:
(1)开工前业主应向承包商支付估算合同总价20%的工程预付款。
(2)业主自第一个月起,从承包商的工程款中,按5%的比例扣留质量保证金。规费税金的综合费率取14%。
(3)当累计实际完成工程量超过(或低于)估算工程量的15%时,可进行调价,调价系数为0.9(或1.1)。
(4)工程预付款从承包人获得累计工程款(含预付款)超过估算合同价的60%以后的下一个月起,分三个月均匀扣除。
(5)本案例中,人材机费、管理费、利润、规费均不含税。
施工过程中,发生如下事件:
事件1:施工单位有两台大型机械设备需要进场,施工单位提出应由建设单位支付其进场费,但建设单位不同意另行支付。
事件2:建设单位提供的材料运抵现场后,项目监理机构要求施工单位及时送检,但施工单位称施工合同专用条款并未对此作出约定。因此,建设单位提供的材料,施工单位没有送检的义务,若一定要施工单位送检,则由建设单位支付材料检测费用。
事件3:由于施工机械故障,G工作的开始时间推迟了1个月。第6个月恰遇建筑材料价格大幅上涨,造成F、G工作的造价提高,造价管理部门公布的价格指数见下表。施工单位随即向项目监理机构提出了调整F、G工作结算单价的要求。经测算,F、G工作的单价中,钢材、水泥和骨料的价格所占比例均分别为25%、35%和10%。

问题:
1.工程预付款是多少?工程预付款从哪个月起扣回?
2.工程的四月份完成工程量价款是多少?四月份应签发的工程款是多少?
3.事件1中,建设单位的做法是否正确?说明理由。
4.事件2中,施工单位说法是否正确?说明理由。
5.事件3中,施工单位提出调整F和G工作单价的要求是否合理?说明理由。如果可以调整,请列式计算调整后的单价。
本题答案:
问题1:
签约合同价=(2500×100+3000×150+4500×120+2200×180+2300×100+2500×150+2000×200)×(1+14%)/10000=301.07(万元)
工程预付款=301.07×20%=60.21(万元)
前三个月承包人获得累计工程款(含预付款)=60.21+(2500×100+3000×150+4500×120÷3+2200×180÷2+2300×100÷2)×(1+14%)/10000×0.95=189.41(万元)>180.64(万元)(估算合同价的60%),所以工程预付款应从四月份起扣回。
问题2:
四月份完成的工程量价款=(4500×120÷3+2200×180÷2+2300×100÷2)×(1+14%)/10000=56.20(万元)
四月份应扣回预付款=60.21/3=20.07(万元)
四月份应签发的工程款=56.20×0.95-20.07=33.32(万元)
问题3::
事件1中,建设单位的做法正确。
理由:大型机械设备进场费属于建筑安装工程费用构成中的措施费,已包括在合同价款中,施工单位没有理由提出由建设单位支付其进场费的要求。
问题4:
事件2中施工单位要求建设单位支付材料检测费用的说法正确。
理由:发包人供应的材料,其检测费用应由发包人负责。
事件2中施工单位说没有送检的义务的说法错误。
理由:不论是发包人供应的材料,还是承包人负责采购的材料,承包人均有送检的义务。
问题5:
施工单位提出调整G工作的单价不合理。
因施工单位施工机械故障的原因致使该工作拖延,因此,G工作价格上涨属于施工单位应承担的风险。
施工单位提出调整F工作的单价合理。
因为符合合同约定:施工期间若遇物价上涨,只对钢材、水泥和骨料的价格进行调整,调整依据为工程造价管理部门公布的材料价格指数。
F工作调整后的单价=150×(30%+25%×130/105+35%×140/110+10%×120/100)=176.25(元/m³)。
问题1:
签约合同价=(2500×100+3000×150+4500×120+2200×180+2300×100+2500×150+2000×200)×(1+14%)/10000=301.07(万元)
工程预付款=301.07×20%=60.21(万元)
前三个月承包人获得累计工程款(含预付款)=60.21+(2500×100+3000×150+4500×120÷3+2200×180÷2+2300×100÷2)×(1+14%)/10000×0.95=189.41(万元)>180.64(万元)(估算合同价的60%),所以工程预付款应从四月份起扣回。
问题2:
四月份完成的工程量价款=(4500×120÷3+2200×180÷2+2300×100÷2)×(1+14%)/10000=56.20(万元)
四月份应扣回预付款=60.21/3=20.07(万元)
四月份应签发的工程款=56.20×0.95-20.07=33.32(万元)
问题3::
事件1中,建设单位的做法正确。
理由:大型机械设备进场费属于建筑安装工程费用构成中的措施费,已包括在合同价款中,施工单位没有理由提出由建设单位支付其进场费的要求。
问题4:
事件2中施工单位要求建设单位支付材料检测费用的说法正确。
理由:发包人供应的材料,其检测费用应由发包人负责。
事件2中施工单位说没有送检的义务的说法错误。
理由:不论是发包人供应的材料,还是承包人负责采购的材料,承包人均有送检的义务。
问题5:
施工单位提出调整G工作的单价不合理。
因施工单位施工机械故障的原因致使该工作拖延,因此,G工作价格上涨属于施工单位应承担的风险。
施工单位提出调整F工作的单价合理。
因为符合合同约定:施工期间若遇物价上涨,只对钢材、水泥和骨料的价格进行调整,调整依据为工程造价管理部门公布的材料价格指数。
F工作调整后的单价=150×(30%+25%×130/105+35%×140/110+10%×120/100)=176.25(元/m³)。
5、某钢筋混凝土圆形烟囱基础设计尺寸,如图6.I所示。其中基础垫层采用C15混凝土,圆形满堂基础采用C30混凝土,地基土壤类别为三类土。土方开挖底部施工所需的工作面宽度为300mm,放坡系数为0.33,放坡自垫层上表面计算。

问题(计算结果均保留2位小数):
1.根据上述条件,按《建设工程工程量清单计价规范》GB50500-2013的计算规则,在答题纸表6.1.1“工程量计算表"中,列式计算该烟囱的平整场地、挖基础土方、垫层和混凝土基础工程量。平整场地工程量按满堂基础底面积乘2.0系数计算。

2.根据工程所在地相关部门发布的现行挖、运土方预算单价,见表6.I.1“挖、运土方预算单价表"。施工方案规定,土方按90%机械开挖、10%人工开挖,用于回填的土方在20m内就近堆存,余土运往5000m范围内指定堆放地点堆放。相关工程的企业管理费按人材机之和的7%计算,利润按人材机之和的6%计算。编制挖基础土方(编码为010101003)的清单综合单价,填入答题纸6.l.2“工程量清单综合单价分析表"。


3.利用第1、2问题的计算结果和以下相关数据,在答题纸表6.l.3“分部分项工程量清单与计价表"中,编制该烟囱基础分部分项工程量清单与计价表,已知相关数据为:①平整场地,编码010101001,综合单价1.26元/m2;②挖基础土方,编码010101003;③土方回填,人工回填,人工分层夯填,编码010103001,综合单价15.00元/m3;④C15混凝土垫层,编码010401006,综合单价460.00元/m3;⑤C30混凝土满堂基础,编码010401003,综合单价520.00元/m3。


问题(计算结果均保留2位小数):
1.根据上述条件,按《建设工程工程量清单计价规范》GB50500-2013的计算规则,在答题纸表6.1.1“工程量计算表"中,列式计算该烟囱的平整场地、挖基础土方、垫层和混凝土基础工程量。平整场地工程量按满堂基础底面积乘2.0系数计算。

2.根据工程所在地相关部门发布的现行挖、运土方预算单价,见表6.I.1“挖、运土方预算单价表"。施工方案规定,土方按90%机械开挖、10%人工开挖,用于回填的土方在20m内就近堆存,余土运往5000m范围内指定堆放地点堆放。相关工程的企业管理费按人材机之和的7%计算,利润按人材机之和的6%计算。编制挖基础土方(编码为010101003)的清单综合单价,填入答题纸6.l.2“工程量清单综合单价分析表"。


3.利用第1、2问题的计算结果和以下相关数据,在答题纸表6.l.3“分部分项工程量清单与计价表"中,编制该烟囱基础分部分项工程量清单与计价表,已知相关数据为:①平整场地,编码010101001,综合单价1.26元/m2;②挖基础土方,编码010101003;③土方回填,人工回填,人工分层夯填,编码010103001,综合单价15.00元/m3;④C15混凝土垫层,编码010401006,综合单价460.00元/m3;⑤C30混凝土满堂基础,编码010401003,综合单价520.00元/m3。

本题答案:
问题1:

问题2:
1、土方工程量
(1)挖基础土方工程量
R下:9+0.1+0.3=9.40m;R上:9.4+4×0.33=10.72m
3.14×9.42×0.1+1/3×3.14×4×(9.42+10.722+9.4×10.72)=1300.69m3
(2)回填土方量
1300.69-26-417.92-3.14×42×2.2=746.24m3
(3)外运土方量
1300.69-746.24=554.45m3
2.综合单价分析表中的数量
(1)人工挖土:1300.69×10%/1066.1=0.12
(2)机械挖土:(1300.69×0.9-554.45)/1066.1=0.58
(3)机械挖、运土:554.45/1066.1=0.52

问题3:
问题1:

问题2:
1、土方工程量
(1)挖基础土方工程量
R下:9+0.1+0.3=9.40m;R上:9.4+4×0.33=10.72m
3.14×9.42×0.1+1/3×3.14×4×(9.42+10.722+9.4×10.72)=1300.69m3
(2)回填土方量
1300.69-26-417.92-3.14×42×2.2=746.24m3
(3)外运土方量
1300.69-746.24=554.45m3
2.综合单价分析表中的数量
(1)人工挖土:1300.69×10%/1066.1=0.12
(2)机械挖土:(1300.69×0.9-554.45)/1066.1=0.58
(3)机械挖、运土:554.45/1066.1=0.52

问题3:
6、某厂区室外给水管网布置如图2-6-3所示。

说明:
(1)该图为某厂区生产、生活、消防共用室外给水管网平面图。PN=1.0MPa。图中平面尺寸均以相对坐标标注,单位以m计,详图尺寸以mm计。
(2)图中标注DN≥100管道采用承插铸铁给水管及管件(只计弯头、三通,不计短管甲、乙),采用石棉水泥接口;其他未标注管径的管道均采用φ57×3.5碳素钢管及管件,电弧焊接。
(3)DN≥100的阀门均为带短管甲乙的法兰阀口,闸阀型号为Z41T-16,止回阀型号为H41T-16。消火栓S1~S8为地上式单口消火栓,S9、S10为地上式双口消火栓,消火栓均为成套供应,包括底座,连接消火栓的垂直管段按法兰铸铁管计,连接形式分别见图2-6-4。

(4)管网安装完毕进行水压试验和冲洗。钢管外壁除锈后刷防锈漆、沥青漆各两道。
厂区室外给水管网相关分部分项工程量清单项目的统一编码见表2-6-7。

某化工厂在城外80公里处,建造一年产400万吨化工产品的生产装置,工程尚未设计就进行招标。招标文件中有关计价条款:1)整套设备总重量为1920t,由业主供货;2)全部材料由承包人供应;3)与生产装置配套的辅助项目建安工程造价为750万元,业主发包给另一企业施工,并由承包人对此进行配合协调,总承包服务费按辅助项目建安工程造价的8%计入。要求投标人按工程量清单计价形式快速填报“单位工程费用表”。
某施工企业于两年前在城内承建了一套年产300万t同类化工产品的生产装置,设备总重量1600t,其相关工程造价数据详见表2-6-8。

该施工企业拟根据已建年产300万t化工产品生产装置的工程造价数据和当前市场价格的变化,对新建年产400万t化工产品的生产装置工程进行投标报价,并确定以下投标策略:
(1)分部分项工程量清单工料机费用将按照设备重量指标法确定,同时考虑工料机价格的变化,即:工日单价按48元计,材料价格、施工机械台班价格与两年前相比涨幅按25%计,将企业管理费费率调整为65%,利润率不变;
(2)措施项目清单费用按照已建项目措施项目清单费用占分部分项工程量清单费用的比例计算,由于远离企业驻地,另外增加大型施工机械进出场费54万元;
(3)其他费用项目遵照已建项目的规定和招标文件要求计算。
问题:
(1)根据图2-6.3所示,按照《建设工程工程量清单计价规范》GB50500-2013、《通用安装工程工程量计算规范》GB50856--2013及有关规定,完成下列内容:1)计算给水管道的清单工程量,并写出计算过程;2)编列出给水管道系统(阀门、法兰除外)部分分部分项工程量清单项目,相关数据填入分部分项工程量清单表内。


(2)请依据上述背景的要求,按工程量清单计价形式计算出年产400万t化工产品生产装置的单位工程清单费用。列出各项费用计算过程,计算结果填入单位工程费用表。(计算过程和结果均保留两位小数)


说明:
(1)该图为某厂区生产、生活、消防共用室外给水管网平面图。PN=1.0MPa。图中平面尺寸均以相对坐标标注,单位以m计,详图尺寸以mm计。
(2)图中标注DN≥100管道采用承插铸铁给水管及管件(只计弯头、三通,不计短管甲、乙),采用石棉水泥接口;其他未标注管径的管道均采用φ57×3.5碳素钢管及管件,电弧焊接。
(3)DN≥100的阀门均为带短管甲乙的法兰阀口,闸阀型号为Z41T-16,止回阀型号为H41T-16。消火栓S1~S8为地上式单口消火栓,S9、S10为地上式双口消火栓,消火栓均为成套供应,包括底座,连接消火栓的垂直管段按法兰铸铁管计,连接形式分别见图2-6-4。

(4)管网安装完毕进行水压试验和冲洗。钢管外壁除锈后刷防锈漆、沥青漆各两道。
厂区室外给水管网相关分部分项工程量清单项目的统一编码见表2-6-7。

某化工厂在城外80公里处,建造一年产400万吨化工产品的生产装置,工程尚未设计就进行招标。招标文件中有关计价条款:1)整套设备总重量为1920t,由业主供货;2)全部材料由承包人供应;3)与生产装置配套的辅助项目建安工程造价为750万元,业主发包给另一企业施工,并由承包人对此进行配合协调,总承包服务费按辅助项目建安工程造价的8%计入。要求投标人按工程量清单计价形式快速填报“单位工程费用表”。
某施工企业于两年前在城内承建了一套年产300万t同类化工产品的生产装置,设备总重量1600t,其相关工程造价数据详见表2-6-8。

该施工企业拟根据已建年产300万t化工产品生产装置的工程造价数据和当前市场价格的变化,对新建年产400万t化工产品的生产装置工程进行投标报价,并确定以下投标策略:
(1)分部分项工程量清单工料机费用将按照设备重量指标法确定,同时考虑工料机价格的变化,即:工日单价按48元计,材料价格、施工机械台班价格与两年前相比涨幅按25%计,将企业管理费费率调整为65%,利润率不变;
(2)措施项目清单费用按照已建项目措施项目清单费用占分部分项工程量清单费用的比例计算,由于远离企业驻地,另外增加大型施工机械进出场费54万元;
(3)其他费用项目遵照已建项目的规定和招标文件要求计算。
问题:
(1)根据图2-6.3所示,按照《建设工程工程量清单计价规范》GB50500-2013、《通用安装工程工程量计算规范》GB50856--2013及有关规定,完成下列内容:1)计算给水管道的清单工程量,并写出计算过程;2)编列出给水管道系统(阀门、法兰除外)部分分部分项工程量清单项目,相关数据填入分部分项工程量清单表内。


(2)请依据上述背景的要求,按工程量清单计价形式计算出年产400万t化工产品生产装置的单位工程清单费用。列出各项费用计算过程,计算结果填入单位工程费用表。(计算过程和结果均保留两位小数)

本题答案:
问题1:
给水管道工程量的计算过程:
1)DN200低压承插铸铁给水管道工程量的计算式:
[横向管线(251-115)×2]+[纵向(490-365)×3]+[管网入口(505-490)]+[泵房出入口(266-246)+(251-246)]=(136×2)+(125×3)+15+(20+5)=272+375+15+25=687(m)
2)DN150低压承插铸铁给水管道工程量的计算式:
S9、S10消火栓支线:2.5×2=5(m)
3)DN100低压承插铸铁给水管道工程量的计算式:
①S1~S8消火栓支线:2.5×8=20(m)
②车间给水支线:包装(370-365)+[加工(251-203)+(445-440)×2]+(预制490-485)=5+(48+5×2)+5=68(m)
小计:①+②=20+68=88(m)
4)DN150法兰承插铸铁给水管道工程量的计算式:
连接S9、S10消火栓的垂直管段:(1.1-0.1)×2=1×2=2(m)
5)DN100低压法兰铸铁给水管道工程量的计算式:
连接S1~S8消火栓的垂直管段:(1.1-0.1)×8=1×8=8(m)
6)φ57×3.5低压碳素钢给水管道工程量的计算式:
给水支线:(仓库490-485)+(机修120-115)+(食堂120-115)+(办公370-365)=5+5+5+5=20(m)
问题2:
1)分部分项工程量清单费用的计算过程:
按照设备重量指标法确定工料机费用:
重量指标法系数为:1920÷1600=1.2
人工费500×1.2÷40×48=720(万元)
材料费2400×1.2×(1+25%)=3600(万元)
机械费400×1.2×(1+25%)=600(万元)
企业管理费720×65%=468(万元)
利润720×35%=252(万元)
分部分项工程量清单费用合计:720+3600+600+468+252=5640(万元)
2)措施项目清单费用的计算过程:
按照已建项目占分部分项工程量清单费用的比例计算:
5640×(555÷3700×100%)=5640×15%=846(万元)
大型施工机械进出场费增加54万元
措施项目清单费用合计:846+54=900(万元)
3)总承包服务费的计算过程:
750×8%=60(万元)
4)规费的计算过程:
(5640+900+60)×10%=6600×10%=660(万元)
5)税金的计算过程:
(5640+900+60+660)×9%=653.4(万元)
单位工程费用合计:
5640+900+60+660+653.4=7913.4(万元)
问题1:
给水管道工程量的计算过程:
1)DN200低压承插铸铁给水管道工程量的计算式:
[横向管线(251-115)×2]+[纵向(490-365)×3]+[管网入口(505-490)]+[泵房出入口(266-246)+(251-246)]=(136×2)+(125×3)+15+(20+5)=272+375+15+25=687(m)
2)DN150低压承插铸铁给水管道工程量的计算式:
S9、S10消火栓支线:2.5×2=5(m)
3)DN100低压承插铸铁给水管道工程量的计算式:
①S1~S8消火栓支线:2.5×8=20(m)
②车间给水支线:包装(370-365)+[加工(251-203)+(445-440)×2]+(预制490-485)=5+(48+5×2)+5=68(m)
小计:①+②=20+68=88(m)
4)DN150法兰承插铸铁给水管道工程量的计算式:
连接S9、S10消火栓的垂直管段:(1.1-0.1)×2=1×2=2(m)
5)DN100低压法兰铸铁给水管道工程量的计算式:
连接S1~S8消火栓的垂直管段:(1.1-0.1)×8=1×8=8(m)
6)φ57×3.5低压碳素钢给水管道工程量的计算式:
给水支线:(仓库490-485)+(机修120-115)+(食堂120-115)+(办公370-365)=5+5+5+5=20(m)
问题2:
1)分部分项工程量清单费用的计算过程:
按照设备重量指标法确定工料机费用:
重量指标法系数为:1920÷1600=1.2
人工费500×1.2÷40×48=720(万元)
材料费2400×1.2×(1+25%)=3600(万元)
机械费400×1.2×(1+25%)=600(万元)
企业管理费720×65%=468(万元)
利润720×35%=252(万元)
分部分项工程量清单费用合计:720+3600+600+468+252=5640(万元)
2)措施项目清单费用的计算过程:
按照已建项目占分部分项工程量清单费用的比例计算:
5640×(555÷3700×100%)=5640×15%=846(万元)
大型施工机械进出场费增加54万元
措施项目清单费用合计:846+54=900(万元)
3)总承包服务费的计算过程:
750×8%=60(万元)
4)规费的计算过程:
(5640+900+60)×10%=6600×10%=660(万元)
5)税金的计算过程:
(5640+900+60+660)×9%=653.4(万元)
单位工程费用合计:
5640+900+60+660+653.4=7913.4(万元)
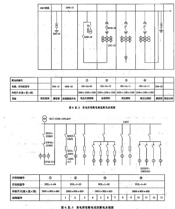
7、工程背景资料如下:
1.图6.Ⅲ.1~图6.Ⅲ.3所示为某变电所变配电工程的平面图和高、低配电系统图,图中③号高压成套配电柜到电力变压器的电缆管线的清单工程量设定为:φ100钢管暗敷为9m;电力电缆穿管敷设YJV-10KV-3×70mm2为10m,其另应增加的附加长度为3.5m。电力变压器型号为S9-M-1000kVA。


2.电缆工程的相关定额见下表:

3.该工程变配电装置中的全部母线,均由生产厂家制作安装。人工费单价为80元/工日,管理费和利润分别为人工费的60%和40%计算。
4.相关分部分项工程量清单项目统一编码见下表:

问题:
1.按照背景资料1、3、4和图6.Ⅲ.1~图6.Ⅲ.3所示内容,编制表6.Ⅲ.1该工程变配电装置安装和电缆管线的“分部分项工程量清单与计价表”。

2.根据背景资料2中的相关定额,计算“电力电缆”和“电力电缆头”项目的综合单价,编制表6.Ⅲ.2、6.Ⅲ.3“工程量清单综合单价分析表”


1.图6.Ⅲ.1~图6.Ⅲ.3所示为某变电所变配电工程的平面图和高、低配电系统图,图中③号高压成套配电柜到电力变压器的电缆管线的清单工程量设定为:φ100钢管暗敷为9m;电力电缆穿管敷设YJV-10KV-3×70mm2为10m,其另应增加的附加长度为3.5m。电力变压器型号为S9-M-1000kVA。


2.电缆工程的相关定额见下表:

3.该工程变配电装置中的全部母线,均由生产厂家制作安装。人工费单价为80元/工日,管理费和利润分别为人工费的60%和40%计算。
4.相关分部分项工程量清单项目统一编码见下表:

问题:
1.按照背景资料1、3、4和图6.Ⅲ.1~图6.Ⅲ.3所示内容,编制表6.Ⅲ.1该工程变配电装置安装和电缆管线的“分部分项工程量清单与计价表”。

2.根据背景资料2中的相关定额,计算“电力电缆”和“电力电缆头”项目的综合单价,编制表6.Ⅲ.2、6.Ⅲ.3“工程量清单综合单价分析表”


本题答案:
问题1:

问题2:

问题1:

问题2:
