1、投资估算是进行()的主要依据。
A.项目决策、编制工程概算文件和合理控制造价
B.项目决策、筹集资金和合理控制造价
C.初步设计、可行性分析和合理控制造价
D.初步设计、筹集资金和项目决策
本题答案:
B
2、控制工程造价最有效的手段是()。
A.管理与经济相结合
B.技术与经济相结合
C.管理与组织相结合
D.技术与组织相结合
本题答案:
B
3、英国有关工程造价的工程量测算方法和标准都是由()负责。
A.政府建设主管部门
B.专业学会或协会
C.政府财政主管部门
D.大型工程咨询公司
本题答案:
B
4、根据《建设工程质量管理条例》,下列关于参建单位质量责任和义务的说法,不正确的是()。
A.涉及主体结构的装修工程,没有设计方案不得施工
B.对于有特殊要求的建筑材料,设计单位可以指定供应商
C.施工过程中发现的设计图纸差错,施工单位应相应修改后再施工
D.建设单位应保证提供的原始资料真实、准确和齐全
本题答案:
C
5、根据建筑法,建设单位因故不能按期开工的,应对施工许可证申请延期,延期以()次为限,每次不超过()个月。
A.1、3
B.1、6
C.2、3
D.2、6
本题答案:
C
6、根据我国招标投标法,招标人对已发出的招标文件进行必要的澄清或者修改的,应当在招标文件要求提交投标文件截止时间至少()日前,以书面形式通知所有招标文件收受人。
A.10
B.15
C.20
D.25
本题答案:
B
7、依据政府采购法实施条例,投标保证金不得超过采购项目预算金额的()。
A.1%
B.2%
C.5%
D.10%
本题答案:
B
8、下列关于要约和承诺的说法,正确的是()。
A.要约邀请是要约的必要准备工作
B.要约发出时生效,承诺到达时生效
C.要约可以撤销但不得撤回
D.承诺可以对要约的内容做出非实质性变更
本题答案:
D
9、根据《民法典》合同编,合同当事人违约责任的特点有()。
A.违约责任以合同成立为前提
B.违约责任主要是一种民事赔偿责任
C.违约责任以行使合同权力和违反合同义务为要件
D.违约责任必须以支付违约金的方式承担
本题答案:
B
10、根据价格法的规定,政府在必要时可以实行政府指导价或政府定价的商品或服务不包括()。
A.自然垄断经营的商品
B.国家级贫困地区的各类农用商品
C.资源稀缺的少数商品
D.与人民生活关系重大的极少数商品
本题答案:
B
11、根据《建筑工程施工质量验收统一标准》GB50300,下列工程中属于分项工程的是()。
A.铝合金结构工程
B.模板工程
C.屋面工程
D.砌体结构工程
本题答案:
B
12、当初步设计提出的总概算超过可行性研究报告总投资的()以上时,应重新向原审批单位报批可行性研究报告。
A.5%
B.10%
C.15%
D.20%
本题答案:
B
13、新项目法人筹备组的成立时间是()。
A.项目建议书被批准后
B.项目可研报告批准后
C.申领施工许可证之前
D.项目开工之前
本题答案:
A
14、下列关于工程项目管理组织机构形式的表述中,正确的是()。
A.直线制组织机构中各职能部门的职责分明,但信息传递线路长
B.职能制组织机构能够分别从职能角度对下级进行业务管理
C.直线职能制机构中各职能部门可以直接下达命令,传递信息路线短
D.矩阵制组织机构具有较强的稳定性
本题答案:
B
15、总分包模式是一种常用发承包模式,其特点包括()。
A.选择总承包单位范围较大
B.对建设单位而言,合同金额一般较低
C.不利于建设单位对项目组织管理
D.有利于缩短建设工期
本题答案:
D
16、根据《建筑施工组织设计规范》GB/T50502—2009,按编制对象不同,施工组织设计的三个层次是指()。
A.施工总平面图、施工总进度计划和资源需求计划
B.施工组织总设计、单项工程施工组织设计和施工作业计划
C.施工总平面图、施工总进度计划和专项施工方案
D.施工组织总设计、单位工程施工组织设计和施工方案
本题答案:
D
17、下列关于工程项目目标控制方法的说法,正确的是()。
A.通过因果分析图,可以发现工程项目中主要的质量问题
B.直方图是一种用来寻找影响工程质量主要因素的有效工具
C.网络计划法和香蕉曲线都可以用来控制工程进度
D.控制图法和排列图法分别属于质量控制的静态和动态分析方法
本题答案:
C
18、香蕉曲线法和S曲线法均可用来控制工程造价和工程进度。二者的主要区别是:香蕉曲线是以()累计而成。
A.直方图
B.排列图
C.控制图
D.工程网络计划
本题答案:
D
19、某工程按等节奏流水组织施工,共分A、B、C、D四个施工工序,四个施工段,B工序完成的间歇时间为2天,估计工期为86天,则其流水节拍应为()天。
A.6
B.10
C.12
D.14
本题答案:
C
20、下列对于流水施工的垂直图表示法描述不正确的是()。
A.施工过程及其先后顺序表达清楚
B.时间和空间状况形象直观
C.斜向进度线的斜率可以直观地表示出各施工过程的进展速度
D.编制实际工程进度计划比横道图方便
本题答案:
D
21、在某工程双代号网络计划中,工作N的最早开始时间和最迟开始时间分别为第20天和第25天,其持续时间为9天。该工作有两项紧后工作,它们的最早开始时间分别为第32天和第34天,则工作N的总时差和自由时差分别为()天。
A.3和0
B.3和2
C.5和0
D.5和3
本题答案:
D
22、单代号网络图中,虚拟工作出现在()处。
A.起点节点
B.任意节点
C.中间节点
D.起点节点或终点节点
本题答案:
D
23、下列关于关键工作和关键线路的说法,正确的是()。
A.关键线路上的工作全部是关键工作
B.关键工作不能在非关键线路上
C.关键线路上不允许出现虚工作
D.关键线路上的工作总时差均为零
本题答案:
A
24、根据标准勘察招标文件,构成工程勘察合同文件的下列文件,其优先解释顺序()。
①中标通知书
②通用合同条款
③勘察费用清单
④投标函
⑤专用合同条件
A.②⑤④①③
B.②⑤①③④
C.①②⑤④③
D.①④⑤②③
本题答案:
D
25、对于系统要求高的大型复杂工程,应()模式进行工程项目信息管理。
A.自行开发
B.直接购买
C.租用服务
D.政府采购
本题答案:
A
26、企业在年初向银行借入资金1000万元,月利率为1%,则在7月初偿还时.按月单利和复利计算的利息应分别是()。
A.60.00万元和61.52万元
B.70.00万元和61.52万元
C.60.00万元和72.14万元
D.70.00万元和72.14万元
27、等额系列偿债基金系数(A/F,i,n)的计算式是()。
A.i/(1+i)n
B.i/[(1+i)n-1]
C.i(1+i)n-1/i
D.(1+i)n-1
28、下列关于利息和利率的说法,正确的是()。
A.利率的高低取决于社会最低利润率的水平
B.有效利率是指资金在计息中所发生的名义利率
C.利率是用来衡量资金时间价值的重要尺度
D.利率是一年内所获得的利息与借贷金额的终值之比
29、两个互斥方案,已知A方案寿命期为4年,B方案寿命期为6年,则A、B方案按最小公倍数法计算时,其最小公倍数为()年,当按研究期法计算时,其研究期为()年。
A.4,4
B.6,6
C.12,4
D.12,6
30、在单因素敏感性分析中,当产品价格下降幅度为6.81%、项目投资额降低幅度为23.78%、经营成本上升幅度为15.26%时,该项目净现值为0,按净现值对产品价格、投资额、经营成本的敏感程度由大到小排序,依次为()。
A.产品价格—投资额—经营成本
B.产品价格—经营成本—投资额
C.投资额—经营成本—产品价格
D.经营成本—投资额—产品价格
31、已知两个计算期相同的互斥投资方案的内部收益率IRR1和IRR2,且都大于基准收益率ic,增量投资内部收益率存在并且为ΔIRR,则()。
A.IRR1>IRR2>ic时,说明方案1优于方案2
B.ic<IRR1<IRR2时,说明方案1优于方案2
C.ΔIRR<ic时,投资额小的方案为优选方案
D.ΔIRR>ic时,投资额小的方案为优选方案
32、现有甲、乙、丙、丁四个相互独立的投资项目,其投资额和净现值见表6-1。由于可供投资的资金只有1800万元,则采用净现值率排序法所得的最佳投资组合方案()。

A.项目甲、项目乙和项目丙
B.项目甲、项目乙和项目丁
C.项目甲、项目丙和项目丁
D.项目乙、项目丙和项目丁
33、下列关于基准收益率的说明,正确的是()。
A.基准收益率是单位资金成本和单位投资机会成本之和
B.基准收益率是投资者以动态的观点所确定的,可接受的投资方案平均水平的收益水平
C.风险越大,要求的基准收益率应越高
D.基准收益率由国家有关部门统一测定
34、某产品用0—4法进行功能评价,打分结果见下表,则零部件C的功能重要性系数是()。

A.0.33
B.0.25
C.0.27
D.0.4
35、在价值工程活动中,所绘制的功能系统图是指按照一定的原则和方式将定义的功能连接起来的一个完整的功能体系。在该体系中,上级功能和下级功能分别是指()。
A.目标功能和手段功能
B.基本功能和辅助功能
C.必要功能和过剩功能
D.使用功能和美学功能
36、在价值工程活动的方案创造阶段,由主管设计的工程师做出设计,提出完成所需功能的办法和生产工艺,然后顺序请各方面的专家审查的方法是()。
A.头脑风暴法
B.哥顿法
C.德尔菲法
D.专家检查法
37、工程寿命周期成本分析中,为了权衡设置费与维修费之间关系,则采用的手段是()。
A.进行充分研发,降低制造费用
B.购置备用构件,提高可修复性
C.提高材料周转速度,降低生产成本
D.聘请操作人员,减少维修费用
38、当拟建一个采暖系统,可以在完成采暖任务的前提下选取费用最低的方案,这是寿命周期成本评价方法中的()。
A.固定费用法
B.固定效率法
C.权衡分析法
D.费用效率法
39、某施工企业需用一台价值20万元的施工机械,若采用经营租赁方式租入该种设备,年租金额为4.5万元,已知所得税率为25%,则其资金成本率为()。
A.16.55%
B.15.08%
C.16.88%
D.16.75%
40、下列关于优先股的说法,不正确的是()。
A.股息固定
B.优先股股东没有公司的控制权
C.优先股融资成本较低
D.股东不参与公司经营管理
41、企业未来经营净现金流量中,不能用于固定资产再投资的是()。
A.折旧
B.无形资产摊销
C.流动资金占用的增加部分
D.其他资产摊销
42、在资金成本中,具有产品成本性质的部分是指()。
A.优先股股利
B.债券利息
C.筹资费用
D.普通股股利
43、资本结构是指企业各种长期资金筹集来源的构成和比例关系。企业运用融资的每股收益分析方法时,()的资本结构是选择的资本结构。
A.每股收益最大
B.公司的总价值最高
C.总杠杆系数最大
D.经营杠杆系数最大、财务杠杆系数最小
44、下列项目融资方式中,政府对代建项目具有完全控制权的是()。
A.BOT和ABS
B.BOT和PPP
C.TOT
D.PFI和ABS
45、在项目融资活动中,SPC是指具有特定用途的公司。在下列融资方式中需要组建SPC的是()。
A.BOT和TOT
B.ABS和TOT
C.BOT和PFI
D.ABS和BOT
46、进口关税是以()为计税依据。
A.不动产
B.进出口货物的完税价格
C.所得税
D.营业额
47、根据我国现行规定,应免征土地增值税的是()的房地产。
A.办公楼增值额未超过扣除项目金额20%
B.普通住宅楼增值额未超过扣除项目金额30%
C.已居住4年后由个人转让
D.1994年1月1日前签订转让合同
48、某企业2009年发生了两笔互换房产业务,并办理了相关手续,第一笔业务是换出的房产价值为900万元,换进的房产价值为400万元,第二笔业务是换出的房产价值为500万元,换进的房产价值为800万元,已知当地政府规定的契税税率为3%,该公司应缴纳的房产契税为()万元。
A.9
B.15
C.18
D.24
49、某项目在某运营年份的总成本费用8000万元,其中外购原材料、燃料及动力费为4500万元,折旧费为800万元,摊销费为200万元,修理费为500万元;该年建设贷款余额为2000万元,利率为8%;流动资金贷款为3000万元,利率为7%:当年没有任何新增贷款。则当年的经营成本为()万元。
A.5000
B.6130
C.6630
D.6790
50、财务生存能力分析是通过对()分析实现。
A.财务分析辅助表
B.利润与利润分配表
C.财务计划现金流量表
D.投资财务现金流量表
51、与资产相关的政府补助,包括先征后返的增值税、按销量或工作量等依据国家规定的补助定额计算并按期给予的定额补贴,以及属于财政扶持而给予的其他形式的补贴等,记作补贴收入,但不列入()。
A.投资现金流量表
B.资本金现金流量表
C.投资各方现金流量表
D.财务计划现金流量表
52、根据我国《标准施工招标文件》,下列说法中正确的是()。
A.因承包人原因在施工场地及其毗邻地带造成的第三者人身伤亡和财产损失,由发包人负责赔偿
B.因承包人运输造成施工场地内外公共道路和桥梁损坏的,发包人承担部分责任
C.合同双方对是否属于不可抗力的意见不一致的,由监理人商定或确定
D.经验收合格的工程的实际竣工日期,以验收合格之日为准
53、()是指在投标文件中报两个价:一个是按招标文件的条件报一个价;另一个是加注解的报价。
A.无利润报价法
B.不平衡报价法
C.增加建议报价法
D.多方案报价法
54、根据标准施工招标文件,采用争议评审的,发包人和承包人应在开工日后的()天内协商成立争议评审组。
A.7
B.14
C.28
D.56
55、据FIDIC施工合同条件,关于工程师的权利,下列说法错误的是()。
A.发布开工令、暂停施工令、复工令和赶工令
B.对已完工程部位的质量进行确认或拒收
C.修改合同文件中的矛盾和歧义
D.审核承包商的索赔
56、根据标准设计施工总承包招标文件,发包人应在监理人收到承包人提交的每期进度付款申请单后的()天内审查并支付。
A.14
B.21
C.25
D.28
57、下列对相对偏差的说法正确的是()。
A.偏差数值只能为正
B.是每一控制周期所发生的费用偏差
C.通常用绝对偏差与费用计划值的比值来表示
D.是费用计划值与实际值比较所得的差额
58、编制资金使用计划是在工程项目的()的基础上进行编制。
A.项目目标分解
B.项目阶段划分
C.项目结构分解
D.项目造价构成
59、某项固定资产原价为10000元,预计净残值率为5%,预计使用年限5年,按平均年限法计提折旧,则年折旧额为()元。
A.1800
B.1900
C.2000
D.2100
60、根据《建设工程质量保证金管理办法》,下列关于缺陷责任与保修责任的说法,正确的是()。
A.缺陷责任期从合同竣工日期起计算
B.缺陷责任期一般为6个月,最长不超过2年
C.发包人在接到承包人返还保证金申请后,应于14天内会同承包人按照合同约定的内容进行核实
D.由于发包人原因导致工程无法按规定期限进行竣工验收的,在承包人提交竣工验收报告60天后,工程自动进入缺陷责任期
61、工程造价咨询企业从事工程造价咨询活动,应当遵循()的原则,不得损害社会公众利益和他人的合法权益。
A.独立
B.客观
C.公正
D.公平
E.诚实信用
62、根据工程造价咨询企业管理办法,下列属于工程造价咨询企业业务范围的有()。
A.工程项目经济评价报告的审批
B.工程项目设计方案的比选
C.工程结算和竣工结算报告的审核
D.工程造价经济纠纷的鉴定和仲裁
E.提供工程造价信息服务
63、依据我国建筑法规定.勘察、设计文件应当符合()。
A.建筑工程质量标准
B.合同的约定
C.建筑工程安全标准
D.建筑工程施工技术标准
E.勘察、设计技术规范
64、根据《建设工程质量管理条例》建设工程竣工验收应具备的条件有()。
A.有完整的技术档案和施工管理资料
B.有勘察、设计、施工、工程监理等单位分别签署的质量合格文件
C.有施工单位签署的工程保修书
D.有工程的结清证明文件
E.有工程使用的主要建筑材料的进场试验报告
65、根据招标投标法实施条例,评标委员会应当否决投标人投标的情况包括()。
A.投标联合体没有提交共同投标协议
B.投标文件经投标单位盖章和单位负责人签字
C.投标报价高于招标文件设定的招标控制价
D.投标人不符合国家或者招标文件规定的资格条件
E.投标文件没有对招标文件的实质性要求和条件做出响应
66、根据《政府采购法》,政府采购工程依法不进行招标的,可以按()方式采购。
A.直接发包
B.单一来源采购
C.竞争性谈判
D.公开招标
E.邀请招标
67、根据我国《民法典》合同编,合同中的债务人可以将标的物提存的情形是()。
A.当事人未约定价款
B.债权人无正当理由拒绝受领
C.债权人下落不明
D.债务人不履行合同义务
E.债权人死亡未确定继承人
68、总分包模式的特点是()。
A.建设单位对承包商的选择范围小,承担风险大
B.有利于控制工程造价
C.不利于控制工程质量
D.有利于缩短建设工期
E.有利于合同管理和组织协调
69、主动控制和被动控制是项目目标的两种重要控制方式,下列措施中属于主动控制措施的是()
A.进行风险识别,在计划实施过程中做好风险管理工作
B.分析外界环境条件,找出其对项目目标实现不利的因素,并制定项目计划
C.根据项目管理组织中出现的问题,积极采取处理措施
D.针对可能出现的偏离,制定备用方案
E.根据近期发生的不可预见事件对进度的影响,对计划进行调整
70、当网络计划工期等于计算工期时,下列有关时标网络计划的说法正确的是()。
A.以终点节点为完成节点的工作.其自由时差应等于计划工期与本工作最早开始时间之差
B.以终点节点为完成节点的工作.其自由时差与总时差是相等的
C.中间工作的自由时差就是该工作箭线中波形线的水平投影长度
D.当工作之后只紧接虚工作时.则该工作的箭线上可能存在波形线
E.当工作之后只紧接虚工作时.其紧接的虚箭线中波形线水平投影长度的最短者为该工作的自由时差
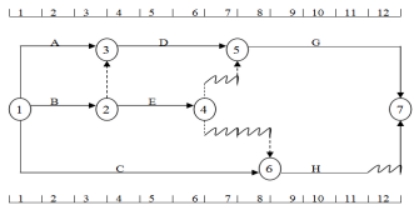
71、某工程双代号网络计划如下图,则下列说法正确的是()。

A.E工作的自由时差为2
B.存在两条关键线路
C.A工作和B工作是平行工作
D.E工作的总时差等于自由时差
E.H工作的总时差为1
72、建设项目财务评价时,可以采用静态评价指标进行评价的情形有()。
A.评价精度要求较高
B.项目年收益大致相等
C.项目寿命期较短
D.项目现金流量变动大
E.可以不考虑资金的时间价值
73、下列关于投资方案经济效果评价指标的说法中,正确的有()。
A.投资收益率在一定程度上反映了投资效果的优劣
B.投资收益率不适用于评价投资规模较大的项目
C.净现值能够反映投资方案中单位投资的使用效率
D.净现值和内部收益率均考虑了整个计算期的经济状况
E.内部收益率不能直接衡量项目未回收投资的收益率
74、在价值工程活动中,方案综合评价方法中常用的定量方法有()。
A.优缺点列举法
B.强制确定法
C.环比评分法
D.相关因素法
E.几何平均值法
75、与传统融资方式相比较,项目融资的特点有()。
A.信用结构多样化
B.融资成本较高
C.可以利用税务优势
D.风险种类少
E.属于公司负债性融资
76、PPP项目财政承受能力论证要求明确项目全生命周期过程的财政支出责任包括()。
A.股权投资
B.运营补贴
C.配套投入
D.债权投资
E.风险承担
77、在设计方案评价方法中,单指标法的种类包括()。
A.综合费用法
B.工程造价指标法
C.全寿命期费用法
D.多因素评分优选法
E.价值工程法
78、关于施工投标报价的说法,正确的是()。
A.采用不平衡报价法时,前期措施费可以适当提高报价
B.招标文件中的工程范围不很明确时可采用多方案报价法
C.投标单位较长时期内没有在建工程项目时可采用无利润报价法
D.计日工单价计入总报价中时可适当提高报价
E.综合单价分析表中的材料费可以报高一些
79、按工程项目组成编制施工阶段资金使用计划时,建筑安装工程费用可直接分解到各个工程分项的费用有()。
A.企业管理费
B.材料费
C.施工机具使用费
D.临时设施费
E.职工养老保险费
80、作为施工项目成本核算的方法之一,会计核算法的特点有()。
A.便于操作
B.逻辑性强
C.核算范围大
D.核算严密
E.适时性较好