2016年一级造价工程师《案例分析(土建与安装)》真题
(1)拟建项目占地面积30亩,建筑面积11000㎡,其项目设计标准,规模与该企业2年前在另一城市的同类项目相同。已建同类项目的单位建筑工程费用为1600元/㎡,建筑工程的综合用工量为4.5工日/㎡,综合工日单价为80元/工日,建筑工程费用中的材料费占比为50%,机械使用费占比为8%,考虑地区和交易时间差,拟建项目的综合工日单价为100元/工日,材料费修正系数为1.1,机械使用费的修正数为1.05,人材机以外的其它费用修正系数为1.08。
根据市场询价,该拟建项目设备投资估算为2000万元,设备安装工程费用为设备投资的15%。项目土地相关费用按20万元/亩计算,除土地外的工程建设其他费用为项目建安工程费用的15%,项目的基本预备费率为5%,不考虑价差预备费。
(2)项目建设期1年,运营期10年,建设投资全部形成固定资产。固定资产使用年限为10年,残值率为5%,直线法折旧。
(3)项目运营期第1年投入自有资金200万元作为运营期的流动资金。
(4)项目正常年份销售收入为1560万元,营业税金及附加税率为6%,项目正常年份年经营成本为400万元。项目运营第1年产量为设计产量的85%,运营期第2年及以后各年均达到设计产量,运营期第1年的销售收入,经营成本均为正常年份的85%。企业所得税率为25%。
【问题】
1.列式计算拟建项目的建设投资。
2.若该项目的建设投资为5500万元,建设投资来源为自有资金和贷款,贷款为3000万元,贷款年利率为7.2%(按月计息),约定的还款方式为运营期前5年等额还本,利息照付方式。分期列式计算项目运营期第1年、第2年的总成本费用和净利润以及运营期第2年年末的项目累计盈余资金,(不考虑企业公积金,公益金提取及投资者股利分配)。(计算结果保留两位小数)
该试题第2问部分考点已过期,新版教材已不考,为保证试卷完整性,仅供考生参阅。
1.人工费占比=4.5X80/1600=22.5% 人工费修正系数=100/80=1.25
人材机以外的其它费用占比=1-22.5%-50%-8%=19.5%
单位建筑工程费=1600X(22.5%X1.25+50%X1.1+8%X1.05+19.5%X1.08)=1801.36元/㎡
建筑工程费=1801.36X11000/10000=1981.50万元
设备安装工程费=2000X15%=300万元
工程建设其他费用=20X30+(1981.50+300)X15%=942.23万元
建设投资=(1981.50+300+2000+942.23)X(1+5%)=5484.92万元
2.年实际利率=(1+7.2%/12)12-1=7.44%
建设期利息=3000/2X7.44%=111.60万元
每年还本额=(3000+111.60)/5=622.32万元
运营期第1年应还利息=(3000+111.60)X7.44%=231.50万元
运营期第2年应还利息=(3000+111.60-622.32)X7.44%=185.20万元
折旧费=(5500+111.60)X(1-5%)/10=533.10万元
运营期第1年总成本费用=400X85%+533.10+231.50=1104.60万元
运营期第2年总成本费用=400+533.10+185.20=1118.30万元
运营期第1年净利润=(1560X85%-1560X6%X85%-1104.60)X(1-25%)=106.38万元
运营期第2年净利润=(1560-1560X6%-1118.30)X(1-25%)=261.08万元
运营期第1年净现金流量=1560X85%-1560X85%X6%-400X85%-(1560X85%-1560X85%X6%-1104.60)X25%-200+200-231.50-622.32=17.16万元
其中:
经营活动净现金流量=1560×85%-1560×85%×6%-400×85%-(1560×85%-1560×85%X6%-1104.60)×25%
投资活动净现金流量=200
筹资活动净现金流量=200-231.50-622.32
运营期第2年年末的项目盈余资金=1560-1560×6%-400-(1560-1560×6%-1118.30)×25%-185.20-622.32=171.86万元
其中:
经营活动净现金流量==1560-1560×6%-400-(1560-1560×6%-1118.30)×25%
投资活动净现金流量=0
筹资活动净现金流量=-185.20-622.32
运营期第2年年未的项目累计盈余资金=17.16+171.86=189.01万元
施工过程中发生了以下事件:
事件1:施工前,施工单位拟定了三种隧洞开挖施工方案,并测算了各方案的施工成本,见表2.1
表2.1各施工方案施工成本单位:万元

当采用全断面法施工时,在地质条件不好的情况下,须改用其他施工方法,如果改用先拱后墙法施工,需再投入3300万元的施工准备工作成本。如果改用台阶法施工,需再投入1100万元的施工准备工作成本。
根据对地质勘探资料的分析评估,地质情况较好的可能性为0.6。
事件2:实际开工前发现地质情况不好,经综合考虑,施工方案采用台阶法,造价师测算了按计划工期施工的施工成本、间接成本为2万元/天;直接成本每压缩工期5天增加30万元,每延长工期5天减少20万元。
【问题】
1.绘制事件1中施工单位施工方案的决策树。
2.列式计算事件1中施工方案选择的决策过程,并按成本最低原则确定最佳施工方案。
3.事件2中,从经济的角度考虑,施工单位应压缩工期,延长工期还是按计划工期施工?说明理由。
4.事件2中,施工单位按计划工期施工的产值利润率为多少?若施工单位希望实现10%的产值利润率,应降低成本多少万元?
1.
2.(1)计算二级决策点各备选方案的期望值并作出决策。
机会点4成本期望值=102000+3300=105300万元
机会点5成本期望值=106000++1100=107100万元
由于机会点5的成本期望值大于机会点4的成本期望值,所以应当优选机会点4的方案。
(2)计算一级决策点各备选方案的期望并作出决策
机会点1总成本期望值=101000X0.6+102000X0.4+4300=105700万元
机会点2总成本期望值=99000X0.6+106000X0.4+4500=106300万元
机会点3总成本期望值=93000X0.6+105300X0.4+6800=104720万元
由于机会点3的成本期望值小于机会点1和机会点2的成本期望值,所以应当优选机会点3的方案。
3.按计划工期每天费用=2万元/天
压缩工期每天增加费用=30/5-2-3=1万元/天
延长工期每天增加费用=2+3-20/5=1万元/天
由此可知,无论是压缩工期,还是延长工期都会降低收益(增加支出),故应按原计划进行。
4.采用台阶法施工成本=4500+106000=110500万元
产值利润率=(120000-110500)/120000=7.92%
实现10%的产值利润率,应降低成本X万元。
(120000-110500+X)/120000=10%
求解,成本降低额=2500万元
该项目招标文件包括如下规定:
(1)招标人不组织项目现场勘查活动。
(2)投标人对招标文件有异议的,应当在投标截止时间10日前提出,否则招标人拒绝回复。
(3)投标人报价时必须采用当地建设行政管理部门造价管理机构发布的计价定额中分部分项工程人工、材料、机械台班消耗量标准。
(4)招标人将聘请第三方造价咨询机构在开标后评标前开展清标活动。
(5)投标人报价低于招标控制价幅度超过30%的,投标人在评标时须向评标委员会说明报价较低的理由,并提供证据;投标人不能说明理由,提供证据的,将认定为废标。
在项目的投标及评标过程中发生以下事件:
事件1:投标人A为外地企业,对项目所在区域不熟悉,向招标人申请安排一名工作人员陪同勘查现场。招标人同意安排一位普通工作人员陪同勘察。
事件2:清标发现,投标人A和投标人B的总价和所有分部分项工程综合单价相差相同的比例。
事件3:通过市场调查,工程清单中某材料暂估单价与市场调查价格有较大偏差,为规避风险,投标人C在投标报价计算相关分部分项工程项目综合单价时采用了该材料市场调查的实际价格。
事件4:评标委员会某成员认为投标人D与招标人曾经在多个项目上合作过,从有利于招标人的角度,建议优先选择投标人D为中标候选人。
【问题】
1.请逐一分析项目招标文件包括的(1)~(5)项规定是否妥当,并分别说明理由。
2.事件1中,招标人的做法是否妥当?并说明理由。
3.针对事件2,评标委员会应该如何处理?并说明理由。
4.事件3中,投标人C的做法是否妥当?并说明理由。
5.事件4中,该评标委员会成员的做法是否妥当?并说明理由。
1.(1)妥当;《招标投标法》第二十一条规定,招标人根据招标项目的具体情况,可以组织潜在投标人踏勘项目现场。《招投标法实施条例》第二十八条规定,招标人不得组织单人或部分潜在投标人踏勘项目现场,因此招标人可以不组织项目现场踏勘。
(2)妥当;《招投标法实施条例》第二十二条规定,潜在投标人或者其他利害关系人对资格预审文件有异议的,应当在提交资格预审申请文件截止时间2日前提出;对招标文件有异议的,应当在投标截止时间10日前提出。招标人应当自收到异议之日起3日内作出答复;作出答复前,应当暂停招标投标活动。
(3)不妥当,投标报价由投标人自主确定,招标人不能要求投标人采用指定的人、材、机消耗量标准。
(4)妥当,清标工作组应该由招标人选派或者邀请熟悉招标工程项目情况和招标投标程序、专业水平和职业素质较高的专业人员组成,招标人也可以委托工程招标代理单位、工程造价咨询单位或者监理单位组织具备相应条件的人员组成清标工作组。
(5)不妥当,《评标委员会和评标方法暂行规定》(七部委第12号令)第二十一条规定:在评标过程中,评标委员会发现投标人的报价明显低于其他投标报价或者在设有标底时明显低于标底的,使得其投标报价可能低于其个别成本的,应当要求该投标人作出书面说明并提供相关证明材料。投标人不能合理说明或者不能提供相关证明材料的,由评标委员会认定该投标人以低于成本报价竞标,其投标应作为废标处理。低于招标控制价30%不能说明其低于其他投标人的报价或者标低、成本,因此本说法不正确。
2.事件1中,招标人的做法不妥当。根据《招投标法实施条例》第二十八条规定,招标人不得组织单人或部分潜在投标人踏勘项目现场,因此招标人不能安排一名工作人员陪同勘查现场。
3.评标委员会应该把投标人A和B的投标文件做为废标处理。有下列情形之一的,视为投标人相互串通投标:
①不同投标人的投标文件由同一单位或者个人编制;
②不同投标人委托同一单位或者个人办理投标事宜;
③不同投标人的投标文件载明的项目管理成员为同一人;
④不同投标人的投标文件异常一致或者投标报价呈规律性差异;
⑤不同投标人的投标文件相互混装;不同投标人的投标保证金从同一单位或者个人的账户转出。
4.不妥当,暂估价不变动和更改。当招标人提供的其他项目清单中列示了材料暂估价时,应根据招标人提供的价格计算材料费,并在分部分项工程量清单与计价表中表现出来。
5.不妥当,根据《招投标法实施条例》第四十九条规定,评标委员会成员应当依照招标投标法和本条例的规定,按照招标文件规定的评标标准和方法,客观、公正地对投标文件提出评审意见。招标文件没有规定的评标标准和方法不得作为评标的依据。评标委员会成员不得私下接触投标人,不得收受投标人给予的财物或者其他好处,不得向招标人征询确定中标人的意向,不得接受任何单位或者个人明示或者暗示提出的倾向或者排斥特定投标人的要求,不得有其他不客观、不公正履行职务的行为。

图4.1甲乙施工单位施工进度计划(单位:天)
事件1:基础工程A工作施工完毕组织验槽时,发现基坑实际土质与业主提供的工程地质资料不符,为此,设计单位修改加大了基础埋深,该基础加深处理使甲施工单位增加用工50个工日,增加机械10个台班,A工作时间延长3天,甲施工单位及时向业主提出费用索赔和工期索赔。
事件2:设备基础D工作的预埋件施工完毕后,甲施工单位报监理工程师进行隐蔽工程验收,监理工程师未按合同约定的时限到现场验收,也未通知甲施工单位推迟验收时间,在此情况下,甲施工单位进行了隐蔽工序施工,业主代表得知该情况后要求施工单位剥露重新检验,检验发现预埋件尺寸不足,位置偏差过大,不符合设计要求。该重新检验导致甲施工单位增加人工30工日,材料费1.2万元,D工作延长2天,甲施工单位及时向业主提出了费用索赔和工期索赔。
事件3:设备安装S工作开始后,乙施工单位发现业主采购的设备配件缺失,业主要求乙施工单位自行采购缺失配件。为此,乙施工单位发生材料费2.5万元,人工费0.5万元,S工作时间延长2天。乙施工单位向业主提出费用索赔和工期延长2天的索赔,向甲施工单位提出受事件1和事件2影响工期延长5天的索赔。
事件4:设备安装过程中,由于乙施工单位安装设备故障和调试设备损坏使S工作延长施工工期6天,窝工24个工日。增加安装、调试设备修理费1.6万元,并影响了甲施工单位后续工作的开工时间,造成甲施工单位窝工36个工日,机械闲置6个台班。为此,甲施工单位分别向业主和乙施工单位及时提出了费用和工期索赔。
问题:
1.分别指出事件1~4中甲施工单位和乙施工单位的费用索赔和工期索赔是否成立?并分别说明理由。
2.事件2中,业主代表的做法是否妥当?说明理由。
3.事件1~4发生后,图4.1中E和G工作实际开始工作时间分别为第几天?说明理由。
4.计算业主应补偿甲、乙施工单位的费用分别为多少元。可批准延长的工期分别为多少天?
(计算结果保留两位小数)
1.事件一,费用和工期索赔成立,工程地质资料由业主提供并负责,且A工作为关键工作,由于工程地质资料不符导致的费用和工期可以索赔。
事件二,费用和工期索赔不成立,剥露后重新检验发现预埋件尺寸、位置不符合设计要求。施工单位对施工质量直接负责,所以属于施工单位应当承担的责任,费用和工期不能索赔。
事件三,乙施工单位向业主索赔的工期和费用成立,S是关键工作且发生延误是因为业主采购的设备配件缺失造成,属于发包方原因,费用可以索赔,且向业主索赔2天工期成立。乙施工单位向甲施工单位索赔的工期不成立,事件1和事件2对乙施工单位的工期没有影响,且甲、乙没有直接的合同关系,所以不能向甲施工单位索赔工期。
事件四,
①甲施工单位向业主提出的费用和工期索赔均成立。
理由:乙施工单位设备故障,对甲施工单位而言,是业主应承担的责任事件,并且事件4发生后,土建合同工期增加5天。
②甲施工单位向乙施工单位提出的费用和工期索赔均不成立。
理由:甲施工单位与乙施工单位没有合同关系,索赔是基于合同关系补偿要求。
2.业主代表的做法妥当,经监理人检查质量合格或监理人未按约定的时间进行检查的,承包人覆盖工程隐蔽部位后,对质量有疑问的,可要求承包人对已覆盖的部位进行钻孔探测或揭开重新检验,承包人应遵照执行,并在检验后重新覆盖恢复原状。
3.(1)E工作实际开始时间为78天,即第79天开始上班。
理由:E是S的紧后工作,事件1至事件4发生后,S工作的实际完成时间为78天,所以S工作的实际开始时间为78天。
(2)G工作的实际开始时间为80天,即第81天上班时刻。
理由:G工作为S、F的紧后工作,事件1至事件4发生后,S、F工作的实际完成时间分别为78天和80天,所以G工作的实际开始时间为80天。
4.业主应补偿甲施工单位的费用是:
[(50x80+10x500)x(1+10%)x(1+6%)+36x80x70%+6x500x80%]x(1+9.8%)=16371.18元
业主应补偿乙施工单位的费用是:[25000+5000x(1+55%+45%)]x(1+9.8%)-( 36x80x70%+6x500x80%) x(1+9.8%)=38430-4848.77=33581.23元
业主可批准甲施工单位的顺延工期为:8天
业主可批准乙施工单位的顺延工期为:2天
表5.1分项工程和单价措施造价数据与施工进度计划表

有关工程价款结算与支付的合同约定如下:
1.开工前发包人向承包人支付签约合同价(扣除总价措施费与暂列金额)的20%作为预付款,预付款在第3、4个月平均扣回;
2.安全文明施工费工程款于开工前一次性支付;除安全文明施工费之外的总价措施项目费用工程款在开工后的前3个月平均支付;
3.施工期间除总价措施项目费用外的工程款按实际施工进度逐月结算;
4.发包人按每次承包人应得的工程款的85%支付;
5.竣工验收通过后的60天内进行工程竣工结算,竣工结算时扣除工程实际总价的3%作为工程质量保证金,剩余工程款一次性支付;
6.C分项工程所需的甲种材料用量为500m³,在招标时确定的暂估价为80元/m³,乙种材料用量为400m³,投标报价为40元/m³。工程款逐月结算时,甲种材料按实际购买价格调整,乙种材料当购买价在投标报价的±5%以内变动时,C分项工程的综合单价不予调整,变动超过±5%以上时,超过部分的价格调整至C分项综合单价中。
该工程如期开工,施工中发生了经承发包双方确认的以下事项:
(1)B分项工程的实际施工时间为2~4月;
(2)C分项工程甲种材料实际购买价为85元/m³,乙种材料的实际购买为50元/m³;
(3)第4个月发生现场签证零星工费用2.4万元。
【问题】
1.合同价为多少万元?预付款是多少万元?开工前支付的措施项目款为多少万元?
2.求C分项工程的综合单价是多少元/m³?三月份完成的分部和单价措施费是多少万元?3月份业主支付的工程款是多少万元?
3.列式计算第3月末累积分项工程和单价措施项目拟完成工程计划费用、已完成工程费用,并分析进度偏差(投资额表示)与费用偏差。
4.除现场签证费用外,若工程实际发生其他项目费用8.7万元,试计算工程实际造价及竣工结算价款。
(计算结果均保留三位小数)
1.合同价=(76.6+9+12)X1.1=107.36万元
预付款=76.6X1.1X20%=16.852万元
开工前支付的措施项目款=3X1.1X85%=2.805万元
2.甲种材料价格为85元/m³,甲增加材料款=500X(85-80)X1.15=2875元
由于(50-40)/40=25%>5%,乙增加材料款=400X(50-40X1.05)X1.15=3680元
C分项工程的综合单价=280+(2875+3680)/1000=286.555元/m³
3月份完成的分部和单价措施费=32.4/3+286.555X1000/10000/3=20.352万元
3月份业主应支付的工程款=(32.4/3+286.555X1000/10000/3+6/3)X1.1X85%-16.852/2=12.473万元
3.第3月末分项工程和单价措施项目
拟完工程计划费用=(10.8+32.4+28×2/3)×1.1=68.053(万元)
已完工程实际费用=(10.8+32.4×2/3+28.656×2/3)×1.1=56.654(万元)
已完工程计划费用=(10.8+32.4×2/3+28×2/3)×1.1=56.173(万元
投资偏差=56.173-56.654=-0.481(万元),投资增加
进度偏差=56.173-68.053=-11.88(万元),进度拖延
4.此题题干存在歧义
答案一:
工程实际造价=[76.6+(286.555-280)x1000/10000+9+2.4+8.7]×(1+10%)=107.091(万元)
竣工结算价=107.091x(1-3%-85%)=12.851(万元)
答案二(考虑的是C调价费用已包含在8.7万元中):
工程实际造价=(76.6+9+2.4+8.7)×(1+10%)=106.370(万元)
竣工结算价=106.370x(1-3%-85%)=12.764(万元)
某写字楼标准层电梯厅共20套,施工企业中标的“分部分项工程和单价措施项目清单与计价表”如下表,现根据图6.1.1“标准层电梯厅楼地面铺装尺寸图”、图6.1.2“标准层电梯厅吊顶布置尺寸图”所示的电梯厅土建装饰竣工图及相关技术参数,按下列问题要求,编制电梯厅的竣工结算。




图纸说明:
1.本写字楼标准层电梯厅共20套。
2.墙面干挂石材高度为3000mm,其石材外皮距结构面尺寸为100mm。
3.弱电竖井门为钢骨架石材装饰门(主材同墙体),其门口不设过门石。
4.电梯墙面装饰做法延展到走廊600mm。

【问题】
1.根据工程竣工图纸及技术参数,按《房屋建筑与装饰工程工程量计算规范》(GB50854-2013)的计算规则,在下表6.Ⅰ.1“工程量计算表”中,列式计算该20套电梯厅楼地面、墙面(装饰高度3000mm)、天棚、门和门套等土建装饰分部分项工程的结算工程量(竖井装饰门内的其他项目不考虑)。

2.根据问题1的计算结果及合同文件中“分部分项工程和单价措施项目清单与计价表”的相关内容,按《建设工程工程量清单计价规范》(GB50500-2013)的要求,在下表6.Ⅰ.2“分部分项工程和单价措施项目清单与计价表”中编制该土建装饰工程结算。

3.按该分部项工程竣工结算金额1600000.00元,单价措施项目清单结算金额为18000.00元取定,安全文明施工费按分部分项工程结算金额的3.5%计取,其他项目费为零,人工费占分部分项工程及措施项目费的13%,规费按人工费的21%计取,营业税及附加按3.48%计取。按《建设工程工程量清单计价规范》(GB50500-2013)的要求,在答题卡中列式计算安全文明施工费、措施项目费、规费、营业税金及附加费,并在下表6.Ⅰ.3“单位工程竣工结算汇总表”中编制该土建装饰工程结算。(计算结果保留两位小数)

1.工程量计算表
项目名称
工程量计算过程
工程量
1
地面
7.5X4X20=600.00
600.00
2
波打线
(7.7+4.2)X2X0.2X20=95.20
95.20
3
过门石
1.1X0.4X4X20=35.20
35.20
4
墙面
[(7.9X2+4.4+1.2)X3-1.1X2.4X4-1X2.4X2]X20=976.80
976.80
5
竖井装饰门
(1X2.4)X2X20=96.00
96.00
6
电梯门套
(1.1+2.4X2)X0.4X4X20=188.80
188.80
7
天棚
7.5X4X20=600.00
600.00
8
吊顶灯槽
(7.7+4.2)X2X0.2X20=95.20
95.20
9
吊顶脚手架
(7.5+0.2+0.2)X(4+0.2+0.2)X20=695.20
695.20
金额(元)
序号
项目编码
项目名称
项目特征
计量单位
工程量
综合单价
合价
分部分项工程
1
011102001001
楼地面
干硬性水泥砂浆铺砌米黄大理石
㎡
600.00
560.00
336000.00
2
011102001002
波打线
干硬性水泥砂浆铺砌啡网纹大理石
㎡
95.20
660.00
62832.00
3
011108001001
过门石
干硬性水泥砂浆铺砌啡网纹大理石
㎡
35.20
650.00
22880.00
4
011204001001
墙面
钢龙骨干挂米黄洞石
㎡
976.80
810.00
791208.00
5
010801004001
竖井装饰门
钢龙骨支架米黄洞石
㎡
96.00
711.00
68256.00
6
010808004001
电梯门套
2mm拉丝不锈钢
㎡
188.80
390.O0
73632.00
7
011302001001
天棚
2.5mm铝板
㎡
600.00
360.00
216000.00
8
011304001001
吊顶灯槽
亚布力板
㎡
95.20
350.00
33320.00
分部分项工程小计
元
1604128.00
二
单价措施项目
1
011701003001
吊顶脚手架
3.6米内
㎡
695.20
23.00
15989.60
单价措施项目小计
元
15989.60
分部分项工程和单价措施项目合计
元
1620117.60
单位工程竣工结算汇总表
项目名称
金额
1
分部分项工程费
1600000.00
2
措施项目费
74000.00
2.1
单价措施费
18000.00
2.2
安全文明施工费
56000.00
3
规费
45700.20
4
税金
59845.57
单位工程合计
1779545.77
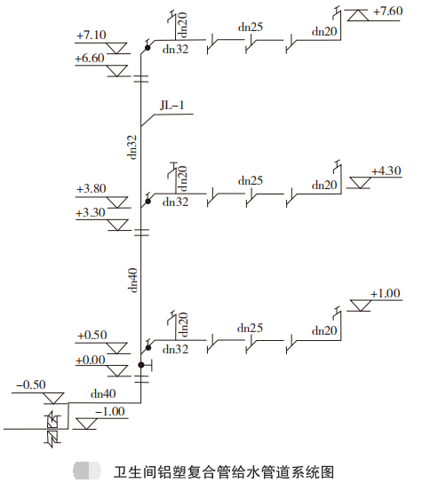
(1)某工厂办公楼卫生间给排水施工图如图6.2所示。



说明:
①办公楼共三层,层高为3.3m。图中尺寸标注标高以m计,其他均以mm计。
②卫生间盥洗间给水管道采用铝塑复合管及管件;大小便冲洗给水(中水)管道采用镀锌钢管及管件,螺纹连接。给水干管为埋地,立管为明设,支管为暗设。管道出入户穿外墙处设碳钢刚性防水套管。
③阀门采用截止阀为J11T-10。各类管道均采用成品管卡固定。
④成套卫生器具安装按标准图集99S304要求施工,所有附件均随卫生器具配套供应。洗脸盆为单柄单孔台上式安装;大便器为感应式冲洗阀蹲式大便器,小便器为感应式冲洗阀壁挂式安装,污水池为混凝土落地式安装。
⑤管道系统安装就位后,给水管道进行强度和严密性水压试验及水冲洗。
(2)假设给水管道的部分清单工程量如下:铝塑复合管:DN4025m,DN328.8m,镀锌钢管DN3220m,DN2513m,其他技术要求和条件与图6.2所示一致。
(3)给排水工程相关分部分项工程量清单项目的统一编码见表6.2.1
表6.2.1给排水工程相关分部分项工程量清单项目的统一编码

(4)室内给水镀锌钢管DN32安装定额(TY02-31-2015)的相关数据资料见表6.2.2。
表6.2.2室内给水镀锌钢管DN32安装定额(TY02-31-2015)的相关数据

注:该工程的管理费和利润分别按人工费的67%和33%计。
问题:
1.按照图6.2所示内容,分别列式计算卫生间给水(中水)系统中的管道和阀门安装项目分部分项清单工程量;管道工程量计算至支管与卫生间器具相连的分支三通或末端弯头处止。
2.根据背景资料口(2)、(3)设定的数据和图6.2中所示要求,按《通用安装工程工程量计算规范》(50856—2013)的规定,分别依次编列出卫生间给水镀锌钢管DN32、DN25、铝塑复合管DN40、DN32和铝塑复合管给水系统中所有阀门,以及成套卫生器具(不含污水池)安装项目的分部分项工程量清单,并填入表6.2.3“分部分项工程和单价措施项目清单与计价表”中。
3.按照背景资料(2)、(3)、(4)、中的相关数据和图6.2中所示要求,根据《通用安装工程工程量计算规范》(GB50856—2013)和《建设工程工程量清单计价规范》(GB50500—2013)的规定,编制图6.2中室内给水管道DN32镀锌钢管安装项目分部分项工程量清单的综合单价,并填入表6.2.4“综合单价分析表”中。
4.有一150t金属设备框架制作安装工程的发承包施工合同中约定:所用钢材由承包方采购供应,钢材单价变化超过5%时,其超过的部分按实调整。该工程招标时,发包方招标控制价按当地造价管理部门发布的市场基准价(信息指导价)为4520元/t编制,承包方中标价为4500元/t。
要求:(1)计算并填入表6.2.5“施工期间钢材价格动态情况”中各施工时段第四、五、六栏的内容;
(2)列出第3时段钢材材料费当期结算值的计算式。(计算结果保留两位小数)
表6.2.3分部分项工程和单价措施项目清单与计价表
工程名称:某工厂标段:办公室卫生间给排水工程安装

表6.2.4综合单价分析表
工程名称:某工厂标段:办公楼卫生间给水(中水)管道安装

表6.2.5施工期间钢材价格动态情况

1.(1)DN50镀锌钢管:平[(1.9+0.55+0.2)+(3.6-1.6+0.25+0.2)+0.2×2]+立[(1.1-0.5)+(0.85+0.5)×2]=8.80(m)。
(2)DN40镀锌钢管:立[(7.45-0.85)×2]+平[(0.2+0.25-0.08+1.04)×6]=21.66(m)
(3)DN32镀锌钢管:平0.9×6=5.4(m)。
(4)DN25镀锌钢管:①大便器给水系统:0.9×6=5.4(m);②小便器给水系统:(1.4-0.2+0.2)+(1.3+0.5)=3.2(m);③小计:5.4+3.2=8.6(m)。
(5)DN20镀锌钢管:[0.2+(0.55-0.15-0.2)+0.62]×3+7.9-1.3=9.66(m)
(6)DN15镀锌钢管:(0.7+0.7)×3=4.20(m)。
(7)DN50截止阀J11T-10:1+1+1=3(个)。
(8)DN40截止阀J11T-10:3×2=6(个)。
(9)DN25截止阀J11T-10:1(个)。
(10)DN20截止阀J11T-10:1×3=3(个)。
2.分部分项工程和单价措施项目清单和计价表见表6.2.3。

3.综合单价分析表见表6.2.4。
6.2.4综合单价分析表
工程名称:某工厂标段:办公楼卫生间给水(中水)管道安装

4.(1)填列表6.2.5中各施工时段第四、五、六栏的内容。
表6.2.5施工期间钢材价格动态情况

(1)第3时段钢材材料费用当期结算值的计算式为40×[4500+(4941-4520×1.05)]=187800。
(1)图6.3所示为某办公楼一层插座平面图,该建筑物为砖、混凝土结构。

(2)该工程的相关定额、主材单价及损耗率见表6.3.1。
(3)该工程的人工费单价(综合普工、一般技工和高级技工)为100/工日,管理费和利润分别按人工费的30%和10%计算。
(4)相关分部分项工程量清单项目编码及项目名称见表6.3.2。
表6.3.1该工程的相关定额、主材单价及损耗率、

表6.3.2相关分部分项工程量清单项目编码及项目名称

问题:
1.按背景资料(1)~(4)和图6.3所示内容,根据《建筑工程工程量清单计价规范》(GB50500—2013)和《通用安装工程工程量计算规范》(GB50856—2013)的规定,计算各分部分项工程量,并将配管(DN15、DN20)和配线(BV2.5mm2、BV4mm2)的工程量计算式与结果填写在指定位置;计算各分部分项工程的综合单价与合价,编制完成表6.3.3“分部分项工程和单价措施项目清单计价表”。
2.设定该工程“管内穿线BV2.5mm2”的清单工程量为300m,其余条件均不变根据背景资料(2)中的相关数据,编制完成表6.3.4“综合单价分析表”。(计算结果保留两位小数)
表6.3.3分部分项工程和单价措施项目清单与计价表工程名称:办公楼标段:一层插座

表6.3.4综合单价分析表工程名称:办公楼标段:一层插座

1.(1)钢管DN15暗配工程量:
①N1:1.5+0.05+2.0+3.0×6+4.0+4.0+4.5+2.0+2.0=38.05(m)
②N3:1.5+0.05+2.0+4.5×6+4.0×5+5.0+(0.05+0.3)×25=64.30(m)
合计:①+②=38.05+64.30=102.35(m)
(2)钢管DN20暗配工程量=1.5+0.05+20.0+1.5-0.8+0.05=22.30(m)
(3)管内穿线BV2.5mm2工程量=102.35×3+(0.5+0.3)×6=311.85(m)
(4)管内穿线BV4mm2工程量=(22.30+0.5+0.3+0.4+0.6)×3=72.30(m)
(5)分部分项工程和价措项目清单与计价表见表6.3.3
表6.3.3分部分项工程和价措项目清单与计价表

2.综合单价分析表见表6.3.4