1、由前向后投影,在V面上所得的投影图称()。
A.水平投影图
B.正立面投影图
C.侧立面投影图
D.后立面投影图
本题答案:
B
2、下列关于比例的说法,错误的是()。
A.比例的大小是指其比值的大小
B.比例是指图形与实物相应要素的线性尺寸之比
C.1:50小于1:100
D.比例通常注写在图名的右方
本题答案:
C
3、下列关于桥位平面图的说法中,错误的是()。
A.桥位平面图主要表示桥梁的所在位置,桥梁与路线的连接情况,以及桥梁与周围的地形、地物的关系。
B.桥位平面图不反映桥梁的具体形式和内容
C.桥位平面图作为设计桥梁、施工定位的依据
D.桥位平面图中的植被、水准符号等均应以正南方向为准。
本题答案:
D
4、沥青混合料用粗集料与细集料的分界粒径尺寸为()。
A.1.18mm
B.2.36mm
C.4.75mm
D.5mm
本题答案:
B
5、水泥混凝土立方体抗压强度试验试件尺寸和龄期要求为()。
A.100mm,7d
B.100mm,28d
C.150mm,7d
D.150mm,28d
本题答案:
D
6、对影响砌体抗压强度的主要因素,下列描述错误的是()。
A.砂浆强度等级相同时,同类型块体,如果块体抗压强度高,则砌体的抗压强度也高
B.当块体强度等级和类型相同时,如砂浆强度等级高,则砌体的抗压强度也高
C.灰缝厚度应适当,灰缝太厚或太薄,都将对砌体的抗压强度产生不利影响
D.由于新砌筑砂浆的强度为零,所以新砌筑砌体的抗压强度也为零
本题答案:
D
7、沥青的软化点越高,则()。
A.温度稳定性越差
B.温度稳定性越好
C.温度稳定性不变
D.温度稳定性失效
本题答案:
B
8、在低温工作的钢结构选择钢材除强度、塑性、冷弯性能指标外,还需()指标。
A.低温屈服强度
B.低温抗拉强度
C.低温冲击韧性
D.疲劳强度
本题答案:
C
9、表征沥青混合料耐久性的指标是()。
A.空隙率、饱和度、残留稳定度
B.稳定度、流值、马歇尔模数
C.空隙率、含水量、含蜡量
D.针入度、稳定度、流值
本题答案:
A
10、欲增大混凝土拌合物的流动性,下列措施中最有效的为()。
A.适当加大砂率
B.加水泥浆(W/C不变)
C.加大水泥用量
D.加减水剂
本题答案:
D
11、对于网状配筋砌体,以下说法错误的是()。
A.当采用钢筋网时,钢筋的直径宜采用3~4mm
B.当采用钢筋网时,网格间距不应太大,也不应太小
C.钢筋网的竖向间距不应大于5皮砖,并不应大于400mm
D.钢筋网主要为了限制砖砌体横向变形以提高砌体强度,所以对砂浆强度没有要求
本题答案:
D
12、确定砂浆强度等级所用的标准试件尺寸为( )。
A.70.7mm×70.7mm×70.7mm
B.150mm×150mm×150mm
C.100mm×100mm×100mm
D.200mm×200mm×200mm
本题答案:
A
13、力偶对物体产生的运动效应应为()。
A.只能使物体转动
B.只能使物体移动
C.既能使物体转动,又能使物体移动
D.它与力对物体产生的运动效应有时相同,有时不同
本题答案:
A
14、若平面一般力系向某点简化后合力矩为零,则其合力()。
A.一定为零
B.一定不为零
C.不一定为零
D.与合力矩相等
本题答案:
C
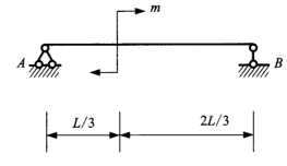
15、某简支梁AB受载荷如下图所示,现分别用RA、RB表示A、B处的约束反力,则它们的关系为()。

A.RA<RB
B.RA>RB
C.RA=RB
D.无法比较
本题答案:
C
16、不同材料的甲、乙两杆,几何尺寸相同,则在受到相同的轴向拉力时,两杆的应力和变形的关系为()。
A.应力和变形都相同
B.应力不同,变形相同
C.应力相同,变形不同
D.应力和变形都不同
本题答案:
C
17、三铰拱在径向均布荷载作用下的合理拱轴线为()。
A.二次抛物线
B.四次抛物线
C.悬链线
D.圆弧线
本题答案:
D
18、摩擦型连接的高强度螺栓在杆轴方向受拉时,承载力()。
A.与摩擦面的处理方法有关
B.与摩擦面的数量有关
C.与螺栓直径有关
D.与螺栓的性能等级无关
本题答案:
C
19、建筑结构的设计极限状态包括()。
A.承载能力极限状态、正常使用极限状态
B.强度极限状态、正常使用极限状态
C.承载能力极限状态、稳定极限状态
D.抗力极限状态、作用极限状态
本题答案:
A
20、间曲线是按()绘制的等高线。
A.基本等高距
B.4倍等高距
C.1/2等高距
D.1/4等高距
本题答案:
C
21、()标志的建设单位应当对永久性测量标志设立明显标记,并委托当地有关单位指派专人负责保管。
A.永久性测量
B.一般测量
C.重要的测量
D.等高线控制
本题答案:
A
22、按一级导线要求测得某四边形闭合导线的四个内角分为89°36′40″、89°33′50″、73°00′30″、107°48′50″,其角度闭合差为()
A.-20″
B.10″
C.-10″
D.20″
本题答案:
C
23、二级导线测量,测角个数为16,其方位角闭合差容许值是()。
A.±120″
B.±40″
C.±64″
D.±160″
本题答案:
C
24、根据《工程测量规范》要求,四等水准测量某测站前后视距累积差已为8.1m,下一站前后是视距差为()m,可满足观测要求。
A.1
B.2
C.3
D.4
本题答案:
A
25、旋转脚螺旋,将水准仪圆水准器气泡居中,旋转180°,如果圆气泡仍然居中,则()。
A.圆水准器轴平行于竖轴
B.圆水准器轴不平行于竖轴
C.视准轴不平行于竖轴
D.视准轴平行于竖轴
本题答案:
A
26、里程桩号K1+560的含义表示()
A.距路线起点560m
B.距路线终点560m
C.距路线起点1560m
D.距路线终点1560m
27、如下图所示,作用在基础上的荷载为2500kN,基础底部长度和宽度分别为8m,5m,基底范围内土的重度γ=17.5kN/m3,基底产生的附加压力为()kPa。

A.70
B.52.5
C.62.5
D.115
28、工程中常用()作为判定黏性土的软硬程度的指标。
A.孔隙比
B.相对密度
C.塑性指数
D.液性指数
29、软土具有()等特点。
A.天然含水量高、透水性差、孔隙比大
B.天然含水量高、透水性差、孔隙比小
C.天然含水量低、透水性好、孔隙比大
D.天然含水量高、透水性好、孔隙比大
30、在相同荷载作用下,相同厚度的单排水土层渗透固结速度最快的是()土质的地基。
A.粘土
B.碎石土
C.砂土
D.粉土
31、某基坑回填工程,检查其填土压实质量时,应()。
A.每三层取一次试样
B.每1000m2取样不少于一组
C.在每层上半部取样
D.以干密度作为检测指标
32、()是利用软弱地基排水固结的特性,通过在地基中采用各种排水技术措施,以加速饱和软黏土固结发展的一种地基处理方法。
A.排水固结法
B.振密、挤密法
C.换土垫层法
D.加筋法
33、土的压缩系数α越大,土的压缩性越();土的压缩模量Es越大,土的压缩性越()。
A.高;高
B.高;低
C.低;高
D.低;低
34、如在开挖临时边坡以后砌筑重力式挡土墙,合理的墙背形式是()。
A.直立
B.俯斜
C.仰斜
D.背斜
35、单向偏心荷载作用的矩形基础上,偏心距e满足条件()时,基底压力呈梯形分布。(L为矩形基础偏心方向长边)。
A.e>L/6
B.e=L/6
C.e<L/6
D.以上都不对
36、一钢质细长压杆,为提高其稳定性,可供选择的有效措施为()。
A.采用高强度的优质钢
B.减少杆件的横截面面积
C.使截面两主惯性轴方向的柔度相同
D.改善约束条件,减少长度系数
37、正常设计的梁发生正截面破坏或斜截面破坏时,其破坏形式应分别为()。
A.超筋梁破坏或斜压破坏
B.适筋梁破坏或剪压破坏
C.适筋梁破坏或斜压破坏
D.少筋梁破坏或斜拉破坏
38、下列关于等截面直梁横截面上弯曲正应力分布的描述中,错误的是()。
A.沿截面高度呈抛物线分布
B.中性层上弯曲正应力必为零
C.中性层上各纤维长度不变
D.横截面上离中性轴最远的各点处弯曲正应力最大
40、某钢筋混凝土受弯构件斜截面发生了斜压破坏,则表示()。
A.剪跨比较大
B.剪跨比较小
C.不一定
D.以上都不对
41、某城市主干路拟采用沥青路面,则该道路路面结构设计使用年限应为()。
A.15年
B.20年
C.30年
D.10年
42、下列说法错误的是()。
A.填方前应将地面积水、积雪(冰)和冻土层、生活垃圾等清除干净
B.路基填方高度应按设计标高增加预沉量值
C.不同性质的土应分类、分层填筑,不得混填
D.路基填土宽度应比设计规定宽50cm
43、水泥混凝土路面设计应以()控制。
A.28d龄期的抗压强度
B.7d龄期的弯拉强度
C.28d龄期的弯拉强度
D.7d龄期的抗压强度
44、将全年小时交通量从大到小按序排列,城市道路设计小时交通量的位置一般采用第()位小时。
A.20
B.30
C.40
D.50
45、水泥混凝土路面的接缝按其作用与功能可划分为()。
A.横缝、纵缝
B.横缝、纵缝、缩缝、胀缝
C.缩缝、胀缝、施工缝
D.横缝、纵缝、施工缝
46、下列关于透层、粘层、封层的说法中,错误的是()。
A.粘层油宜采用快裂或中裂乳化沥青、改性乳化沥青
B.为加强沥青层与水泥混凝土路面之间的粘结洒布透层
C.粘层油宜在摊铺面层当天洒布
D.封层油宜采用改性沥青或改性乳化沥青
47、路面结构在荷载作用下产生的弯沉变形较大、抗弯强度小,在反复荷载作用下产生累积变形,它的破坏取决于极限垂直变形和弯拉应变,这类路面结构是()。
A.刚性路面
B.半刚性路面
C.半柔性路面
D.柔性路面
48、关于路基基底处理说法错误的是()。
A.路堤修筑范围内,原地面的坑、洞、墓穴等,应用原地的土或砂性土回填,并按规定进行压实
B.路堤基底为耕地或松土时,应先清除有机土、种植土,平整后按规定要求压实
C.路堤基底原状土的强度不符合要求时,应进行换填
D.地面自然横坡或纵坡陡于1:4时,为避免所填路段与原地面形成滑动面,应将原地面挖成台阶
49、驾驶员看到汽车前面的障碍物或迎面来车时能及时采取措施,避免相撞时这一必需的最短距离是()。
A.行车视距
B.超车视距
C.会车视距
D.停车视距
50、当管道位于路基范围内时,施工时应采取适当作业原则,以下说法不正确的是()。
A.管顶以上50cm范围内应采用轻型压实机具
B.管顶至路床的覆土厚度在0.5~0.8m时,路基压实时应对管道结构采取保护或加固措施
C.管顶至路床的覆土厚度不大于0.5m时,应对管道结构进行加固
D.沟槽的回填土压实度应符合路基压实要求
51、《城市道路路基设计规范》(CJJ194-2013)规定主干路、次干路、支路的填方路基顶面下0.8-1.5m范围内对路基填料最小强度要求分别是()。
A.3%、3%、4%
B.3%、4%、3%
C.4%、3%、3%
D.4%、3%、2%
52、某路基压实施工时,产生“弹簧”现象,宜采用的处理措施是()。
A.增大压实机具功率
B.适量洒水
C.掺生石灰粉翻拌后压实
D.降低压路机碾压速度
53、《城市道路工程设计规范》(CJ372012)规定快速路和主干路的辅路设计速度宜为主路的()倍。
A.0.4~0.6
B.0.5~0.7
C.0.4~0.5
D.0.6~0.8
54、下列关于道路与轨道交通线路交叉的说法中,错误的是()。
A.快速路与轨道交通线路交叉必须设置立体交叉
B.主干路、次干路、支路与有轨电车的城市轨道必须设置立体交叉
C.行驶无轨电车的道路与铁路交叉必须设置立体交叉
D.次干路与地方铁路的交叉必须设置立体交叉
55、下列关于水泥稳定类基层施工的说法中,错误的是()
A.水泥初凝时间应大于3h,终凝时间应不小于6h
B.粒料最大粒径不宜超过37.5mm
C.主干路碎石、砾石的压碎值不应大于35%
D.施工时应通过试验确定压实系数
56、下列路基填料中最优的是()。
A.砂土
B.黏性土
C.粉性土
D.砂性土
57、水泥混凝土路面强度达到(),利用锯缝机进行锯缝。
A.设计抗压强度的20%-30%
B.设计抗压强度的25%-30%
C.设计弯拉强度的20%-30%
D.设计弯拉强度的25%-30%
58、将边沟、截水沟和路基附近、庄稼地里、住宅附近低洼处汇集的水引向路基、庄稼地、住宅地以外,可设置()。
A.排水沟
B.急流槽
C.边沟
D.天沟
59、()应中央分隔、全部控制出入、控制出入口间距及形式,应实现交通连续通行,单向设置不应少于两条车道,并应设有配套的交通安全与管理设施。
A.快速路
B.主干路
C.次干路
D.支路
60、下列关于石方路堤施工的说法,错误的是()。
A.修筑填石路堤应进行地表清理,先码砌边部,然后逐层水平填筑石料,确保边坡稳定
B.路床施工前,应先修筑试验路段,确定松铺厚度、压实机具组合、压实遍数及沉降差等施工参数
C.填石路堤选用12t以上的振动压路机、25t以上轮胎压路机或2.5t的夯锤压(夯)实
D.路基范围内管线、构筑物四周的沟槽宜回填石料
61、下图中属于()挡土墙。

A.重力式
B.衡重式
C.钢筋混凝土悬臂式
D.钢筋混凝土扶壁式
62、下列关于连续体系梁桥的说法中,错误的是()。
A.结构刚度大
B.伸缩缝少
C.行车平稳舒适
D.支座少
63、赵州桥全桥只有一个位于桥面下方的大拱,这种创造性的设计,不但节约了石料还减轻了桥身的重量,该桥属于()。
A.上承式拱桥
B.中承式拱桥
C.下承式拱桥
D.均不是
64、跨径10m的现浇混凝土简支梁底模拆除时所需的混凝土强度为设计强度的()。
A.75%
B.100%
C.70%
D.85%
65、下列关于沉入桩打桩施工的说法中,错误的是()。
A.应重锤低击
B.对于密集桩群,自中间向两个方向或四周对称施打
C.先深后浅,先大后小,先长后短
D.终止锤击的控制应以控制贯入度为主,桩端设计高程为辅
66、装配式预应力混凝土空心简支板,在支点附近顶面配置纵向非预应力钢筋,其作用
是用来承受()。
A.预应力产生的压应力
B.预应力产生的拉应力
C.预应力产生的剪应力
D.自重产生的拉应力
67、对地基要求高,适用于填土高度不大的中、小桥梁中的桥台形式是()。
A.埋置式桥台
B.承拉桥台
C.轻型桥台
D.U形桥台
68、下列选项中()在竖向荷载作用下不产生水平反力。
A.梁桥
B.拱桥
C.刚架桥
D.缆索承载桥
69、桥上行车路面至桥跨结构最下缘之间的距离称为()。
A.计算矢高
B.净矢高
C.桥梁建筑高度
D.桥梁高度
70、下图表示的是涵洞中的()。

A.管涵
B.箱涵
C.拱涵
D.盖板涵
71、现浇法是小跨径钢筋混凝土简支梁桥的一种常见施工方法,关于它的特点下列选项中不正确的是()。
A.结构整体性好
B.抗震能力好
C.施工中需使用支架
D.可以上下平行施工
72、下列不属于斜拉桥的特点的是()。
A.目前所有桥型中能够做到最大跨径的是斜拉桥
B.斜拉桥属于组合体系桥梁
C.斜拉桥由斜拉索、桥塔、主梁组成
D.斜拉桥的斜拉索可以采用高强钢丝束
73、护筒中心竖直线应与桩中心线重合,除设计另有规定外,平面允许误差为( )mm,倾斜不大于1%。
A.40
B.50
C.60
D.80
74、专用人行桥梁人群荷载标准值为( )。
A.2.5kN/m2
B.3.0kN/m2
C.3.5kN/m2
D.4.0kN/m2
75、以下说法错误的是()。
A.城轨车辆有动车和拖车、带驾驶室和不带驾驶室等多种形式
B.城轨车辆在运营时一般是动托结合、固定编组
C.城轨车辆自带动力牵引装置,兼有牵引和载客两大功能
D.城轨列车与铁路列车相同,需要再连挂单独的机车
76、()是我国开发研制的轨枕,主要用于速度在140~160km/h,轴重为25t的提速重载线路。
A.钢枕
B.Ⅱ型混凝土枕
C.Ⅲ型混凝土枕
D.木枕
77、在基坑(槽)的土方开挖时,不正确的说法是()。
A.当边坡陡、基坑深、地质条件不好时,应采取加固措施
B.当土质较差时,应采用“分层开挖,先挖后撑”的开挖原则
C.应采取措施,防止扰动地基土
D.在地下水位以下的土,应经降水后再开挖
78、以下关于防止基坑坍塌、淹埋应急措施的说法正确的是()。
A.及早发现坍塌、淹埋事故的征兆,及早组织抢救贵重仪器、设备
B.及早发现坍塌、淹埋事故的征兆,及早组织抢险
C.及早发现坍塌、淹埋事故的征兆,应尽快在现场抢修
D.及早发现坍塌、淹埋事故的征兆,及早组织施工人员撤离现场
79、( )是列车在线路上的停车点,其作用既是供乘客集散、候车、换车及上、下车;又是轨道交通运营设置的中心和办理运营业务的地方。
A.地面通风亭
B.通道
C.出入口
D.车站主体
80、焊接作业人员必须经过培训并考试合格,当间断安装时间超过( ),再次上岗前应重新考试和进行技术评定。
A.3个月
B.6个月
C.12个月
D.18个月
81、新建、扩建和改建的各类房屋建筑工程和市政基础设施工程的竣工验收,均应按()规定进行备案。
A.《建筑法》
B.工程验收规范
C.建筑施工工艺标准
D.《建设工程质量管理条例》
82、双代号时标网络计划能够在图上直接显示出计划的时间进程及各项工作的()。
A.开始和结束时间
B.总时差和自由时差
C.计划成本构成
D.实际进度偏差
83、下列关于施工组织设计的说法中,错误的是()。
A.施工组织设计必须经企业行政负责人批准方可实施
B.施工组织设计有变更时要及时办理变更手续
C.施工组织设计应经现场踏勘、调研,且在施工前编制
D.施工组织设计主要内容至少包括工程概况、施工平面布置图、施工方案及技术措施等
84、项目经理对施工承担()的责任。
A.安全和质量
B.进度和成本
C.全面管理
D.协调和组织
85、政府建设工程质量监督机构参与建设工程项目竣工验收会议,其目的是()。
A.对影响使用功能的相关分部工程进行功能检测
B.对验收的程序、组织、方法、过程等进行监督
C.对建设过程质量情况进行总结,签发竣工验收意见书
D.对影响结构安全的工程实体质量进行检测
86、关于因果分析图的说法,正确的是()。
A.一张因果分析图可以分析多个质量问题
B.通常采用QC小组活动的方式进行
C.具有直观、主次分明的特点
D.可以了解质量数据的分布特征
87、关于静态投资回收期特点的说法,正确的是()。
A.静态投资回收期只考虑了方案投资回收之前的效果
B.静态投资回收期可以单独用来评价方案是否可行
C.静态投资回收期若大于基准投资回收期,则表明该方案可以接受
D.静态投资回收期越长,表明资本周转速度越快
88、动态投资回收期是把投资项目各年的净现金流量按基准收益率()之后,再来推算投资回收期,这是它与静态投资回收期的根本区别。
A.直接加减
B.动态加减
C.动态变化
D.折成现值
89、每半年末存款2000元,年利率4%,每季复利计息一次。则2年末存款本息和为()元。
A.8160.00
B.8243.22
C.8244.45
D.8492.93
90、某分部工程计划工程量5000m3,计划成本380元/m3,实际完成工程量为4500m3,实际成本400元/m3。用赢得值法分析该分部工程的施工成本偏差为()。
A.-100000
B.-190000
C.-90000
D.-200000
91、关于剖面图和断面图的关系,下列说法正确的是()。
A.剖面图包含断面图
B.断面图包含剖面图
C.在剖面图和断面图中,要将被剖切的断面部分,画上材料图例表示材质
D.剖面图除应画出剖切面切到部分的图形外,还应画出沿投射方向看到的部分
92、硅酸盐水泥和普通硅酸盐水泥不宜使用在()。
A.要求早期强度高的工程
B.有耐冻性要求的工程
C.大体积混凝土工程
D.有耐腐蚀性要求的工程
93、确定直线方向的标准方向有()。
A.中央子午线方向
B.真子午线方向
C.磁子午线方向
D.坐标纵轴方向
94、构成路基的三要素是()。
A.路基宽度
B.路基横坡度
C.路基高度
D.路基边坡坡度
95、下列关于路基施工技术准备工作的说法中,错误的是()
A.各种材料与机具设备的购置、采集、加工、调运等
B.全面熟悉设计文件,复核施工图并提出修改意见
C.搜集资料,摸清施工现场情况,并编制施工组织计划
D.做好施工现场临时用电、供水、通信、施工临时用房等工作
96、下列属于暗挖隧道内常用的技术措施的是()。
A.超前锚杆或超前小导管支护
B.小导管周边注浆或围岩深孔注浆
C.地表锚杆或地表注浆加固
D.降低地下水位法
97、()具有稳定性好,使用寿命好,能提供较高的阻力,但质量比较大,不利于铺设,且弹性比较差的特点。
A.木枕
B.钢枕
C.钢筋混凝土短枕
D.钢筋混凝土宽枕
98、对于焊缝质量检查,下列哪些说法是正确的()
A.焊缝质量检查标准分为三级
B.一、二级要求在外观检查的基础上通过无损检查
C.三级只要求通过外观检查
D.二级要求用超声波检查每条焊缝的50%长度
99、关于质量控制与质量管理的说法,正确的有()。
A.质量管理就是对施工作业技术活动的管理
B.质量控制的致力点在于构建完善的质量管理体系
C.质量控制是质量管理的一部分
D.质量控制活动包含作业技术活动和管理活动
100、提高产品价值的途径有()。
A.功能大提高,成本小提高
B.功能提高,成本下降
C.功能下降,成本提高
D.功能提高,成本不变