2021年土建职称《专业实务》模拟卷(二)(市政)
搜题
1、(单选题)图中构造物K为()。
本题答案:
A
A
2、(多选题)图中A区域可采用哪些特性的填料回填()。
本题答案:
C,D
C,D
3、(判断题)应在下承层施工质量检测合格后,开始摊铺上层结构层。采用两层连续摊铺时,下层质量出了问题时,上层应同时处理。()
本题答案:
A
A
4、(判断题)对无法使用机械摊铺的超宽填筑路段,按照设计宽度进行填筑。()
本题答案:
B
B
5、(判断题)气候炎热,干燥时碾压稳定中、粗混合料,含水率比最佳含水率降低。()
本题答案:
B
B
6、(多选题)对事件二中裂缝修复的技术措施包括()。
本题答案:
A,B,C
A,B,C
7、(单选题)按组成结构分类,该项目沥青混凝土路面上面层属于()。
本题答案:
C
C
8、(多选题)沥青混合料面层施工质量验收主控项目有()。
本题答案:
A,C,D
A,C,D
9、(单选题)事件三中C单位的名称()。
本题答案:
A
A
10、(单选题)事件三中D报告的名称()。
本题答案:
C
C
11、(单选题)将背景资料中泥浆护壁钻孔灌注桩省略部分施工工艺流程正确的是()。
本题答案:
A
A
12、(判断题)围堰填土应自下游开始至上游合龙。()
本题答案:
B
B
13、(多选题)钻孔灌注桩所用的水下混凝土须具备良好的和易性,坍落度宜为()mm。
本题答案:
A,B,C
A,B,C
14、(单选题)为确保灌注桩顶质量,在桩顶设计标高以上应加灌一定高度,一般不宜小于()。
本题答案:
A
A
15、(多选题)在钻孔灌注桩施工中,属于干作业成孔的方法有()。
本题答案:
B,D
B,D
16、(单选题)本工程墩柱顶标高h的最小应为()。
本题答案:
C
C
17、(多选题)图中构件A、B、C的名称及其作用说法正确的是()。
本题答案:
A,C
A,C
18、(单选题)桥梁活动支座安装时,应在聚四氟乙烯板顶面凹槽内满注()。
本题答案:
B
B
19、(多选题)下列质量检验项目中,属于支座施工质量检验主控项目的有()。
本题答案:
B,D
B,D
20、(判断题)穿巷架桥机械安装和拆卸工程需要组织专家论证。()
本题答案:
A
A
21、(单选题)了解设计意图,熟悉关键部位的工程质量要求,需要通过()来实现。
本题答案:
A
A
22、(多选题)尽管设计质量主要由设计单位负责,但是施工单位可以从()几个方面对设计质量进行控制。
本题答案:
A,B,C
A,B,C
23、(判断题)施工准备阶段的工作质量,对市政产品最终的质量也有很大的影响。()。
本题答案:
A
A
24、(单选题)做好(),使施工人员熟悉工程情况、设计意图、要求、质量标准和施工方法,做到人人心中有数。
本题答案:
C
C
25、(判断题)对采购的材料、半成品,如果到货时才进行验收,一旦发现不合格,就会影响按时供应。因此,对比较重要的材料和半成品,要把质量管理延伸到供应或生产单位。()
本题答案:
A
A
26、(多选题)工程测量控制资料施工现场的()等数据资料,是施工之前进行质量控制的一项基础工作。
27、(多选题)施工准备阶段的质量控制工作,主要包括()。
28、(单选题)检查施工准备工作的质量不包括()。
29、(判断题)质量控制,就是质量事故的防范,是质量管理工作的重点。()。
30、(多选题)现场质量检查的方法主要有()等。
31、背景资料:
某单位承建一钢厂主干道钢筋混凝土道路工程,道路全长1.2km,红线宽46m,路幅分配如图1-1所示,雨水主管敷设于人行道下,管道平面布置如图1-2所示。该路段地层富水,地下水位较高,设计单位在道路结构层中增设了200mm厚级配碎石层,项目部进场后按文明施工要求对施工现场进行了封闭管理,并在现场进口处挂有“五牌一图”。
道路施工过程中发生如下事件:
事件一:路基验收完成已是深秋,为在冬期到来前完成水泥稳定碎石基层施工,项目部经过科学组织,优化方案,集中力量,按期完成基层分项工程的施工任务,同时做好了基层的防冻覆盖工作。
事件二:基层验收合格后,项目部采用开槽法进行DN300mm的雨水支管施工,雨水支管沟槽开挖断面如图1-3所示。槽底浇筑混凝土基础后敷设雨水支管,最后浇筑C25混凝土对支管进行全包封处理。
事件三:雨水支管施工完成后,进入了面层施工阶段,在钢筋进场时,实习材料员当班检查了钢筋的品种、规格,均符合设计和国家现行标准规定,经复试(含见证取样)合格,却忽略了供应商没能提供的相关资料,便将钢筋投入现场施工。



问题:
1.设计单位增设的200mm厚级配碎石层应设置在道路结构中的那个层次?说明其作用。
2.“五牌一图”具体指哪些牌和图?
3.请写出事件一中进入冬期施工的气温条件是什么?并写出基层分项工程应在冬期施工到来之前多少天完成。
4.请在图1-3雨水支管沟槽开挖断面示意图中选出正确的雨水支管开挖断面形式。[开挖断面形式用(a)断面或(b)断面作答]
5.事件三中钢筋进场时还需要检查哪些资料?
某单位承建一钢厂主干道钢筋混凝土道路工程,道路全长1.2km,红线宽46m,路幅分配如图1-1所示,雨水主管敷设于人行道下,管道平面布置如图1-2所示。该路段地层富水,地下水位较高,设计单位在道路结构层中增设了200mm厚级配碎石层,项目部进场后按文明施工要求对施工现场进行了封闭管理,并在现场进口处挂有“五牌一图”。
道路施工过程中发生如下事件:
事件一:路基验收完成已是深秋,为在冬期到来前完成水泥稳定碎石基层施工,项目部经过科学组织,优化方案,集中力量,按期完成基层分项工程的施工任务,同时做好了基层的防冻覆盖工作。
事件二:基层验收合格后,项目部采用开槽法进行DN300mm的雨水支管施工,雨水支管沟槽开挖断面如图1-3所示。槽底浇筑混凝土基础后敷设雨水支管,最后浇筑C25混凝土对支管进行全包封处理。
事件三:雨水支管施工完成后,进入了面层施工阶段,在钢筋进场时,实习材料员当班检查了钢筋的品种、规格,均符合设计和国家现行标准规定,经复试(含见证取样)合格,却忽略了供应商没能提供的相关资料,便将钢筋投入现场施工。



问题:
1.设计单位增设的200mm厚级配碎石层应设置在道路结构中的那个层次?说明其作用。
2.“五牌一图”具体指哪些牌和图?
3.请写出事件一中进入冬期施工的气温条件是什么?并写出基层分项工程应在冬期施工到来之前多少天完成。
4.请在图1-3雨水支管沟槽开挖断面示意图中选出正确的雨水支管开挖断面形式。[开挖断面形式用(a)断面或(b)断面作答]
5.事件三中钢筋进场时还需要检查哪些资料?
32、背景资料
某公司承建一座再生水厂扩建工程,项目部进场后,结合地质情况,按照设计图纸编制了施工组织设计。
基坑开挖尺寸为70.8m(长)X65m(宽)X5.2m(深),基坑断面如图4所示。图中可见地下水位较高,为-1.5m,方案中考虑在基坑周边设置真空井点降水。项目部按照以下流程完成了井点布置,高压水套管冲击成孔→A→填滤料→B→连接水泵→漏水漏气检查→试运行,调试完成后开始抽水。
因结构施工恰逢雨期,项目部采用1:0.75放坡开挖,挂钢筋网喷射C20混凝土护面,施工工艺流程如下:修坡→C→挂钢筋网→D→养护。
基坑支护开挖完成后项目部组织了坑底验收,确认合格后开始进行结构施工。监理工程师现场巡视发现:钢筋加工区部分钢筋锈蚀、不同规格钢筋混放、加工完成的钢筋未经检验即投入使用,要求项目部整改。
结构底板混凝土分6仓施工,每仓在底板腋角上200mm高处设施工缝,并设置了一道钢板。

问题:
1.补充井点降水工艺流程中A、B工作内容,并说明降水期间应注意的事项
2.请指出基坑挂网护坡工艺流程中C、D的内容
3.坑底验收应由哪些单位参加?
4.项目部现场钢筋存放应满足哪些要求?
5.请说明施工缝处设置钢板的作用和安装技术要求。
某公司承建一座再生水厂扩建工程,项目部进场后,结合地质情况,按照设计图纸编制了施工组织设计。
基坑开挖尺寸为70.8m(长)X65m(宽)X5.2m(深),基坑断面如图4所示。图中可见地下水位较高,为-1.5m,方案中考虑在基坑周边设置真空井点降水。项目部按照以下流程完成了井点布置,高压水套管冲击成孔→A→填滤料→B→连接水泵→漏水漏气检查→试运行,调试完成后开始抽水。
因结构施工恰逢雨期,项目部采用1:0.75放坡开挖,挂钢筋网喷射C20混凝土护面,施工工艺流程如下:修坡→C→挂钢筋网→D→养护。
基坑支护开挖完成后项目部组织了坑底验收,确认合格后开始进行结构施工。监理工程师现场巡视发现:钢筋加工区部分钢筋锈蚀、不同规格钢筋混放、加工完成的钢筋未经检验即投入使用,要求项目部整改。
结构底板混凝土分6仓施工,每仓在底板腋角上200mm高处设施工缝,并设置了一道钢板。

问题:
1.补充井点降水工艺流程中A、B工作内容,并说明降水期间应注意的事项
2.请指出基坑挂网护坡工艺流程中C、D的内容
3.坑底验收应由哪些单位参加?
4.项目部现场钢筋存放应满足哪些要求?
5.请说明施工缝处设置钢板的作用和安装技术要求。
33、背景资料:
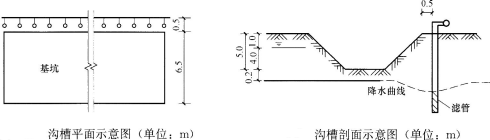
某施工单位承接了一项市政排水管道工程,基槽采用明挖法放坡开挖施工,机械开挖,采用水泥抹面进行护坡。基槽宽度为6.5m,开挖深度为5m,场地内地下水位于地表下1m,施工单位拟采用轻型井点降水,真空井滤料上方使用A封堵。井点的布置方式和降深等示意图如下:

施工单位组织基槽开挖、管道安装和土方回填三个施工队流水作业,并按Ⅰ、Ⅱ、Ⅲ划分三个施工队,根据合同工期要求绘制网络进度图如下:

施工过程中发生了如下事件:
事件一:施工单位为加快施工进度,机械开挖至槽底高程,由于控制不当,局部超挖达120mm。
事件二:管道II在回填的时候,因堆土在沟槽一侧,施工队为施工方便采用机械从一侧进行回填,导致部分管线焊缝开裂。
问题:
1.指出降水井点布置及降水深度的不妥之处,并写出正确的做法。
2.指出沟槽剖面示意图A和网络图中B和C的内容。并说明A的要求。
3.计算本工程的总工期,并指出关键线路。
4.事件一中有何不妥之处;并写出正确的做法及处理方案。
5.事件二中有何不妥之处,并写出正确做法。发现管线焊缝开裂后应如何处理?
某施工单位承接了一项市政排水管道工程,基槽采用明挖法放坡开挖施工,机械开挖,采用水泥抹面进行护坡。基槽宽度为6.5m,开挖深度为5m,场地内地下水位于地表下1m,施工单位拟采用轻型井点降水,真空井滤料上方使用A封堵。井点的布置方式和降深等示意图如下:

施工单位组织基槽开挖、管道安装和土方回填三个施工队流水作业,并按Ⅰ、Ⅱ、Ⅲ划分三个施工队,根据合同工期要求绘制网络进度图如下:

施工过程中发生了如下事件:
事件一:施工单位为加快施工进度,机械开挖至槽底高程,由于控制不当,局部超挖达120mm。
事件二:管道II在回填的时候,因堆土在沟槽一侧,施工队为施工方便采用机械从一侧进行回填,导致部分管线焊缝开裂。
问题:
1.指出降水井点布置及降水深度的不妥之处,并写出正确的做法。
2.指出沟槽剖面示意图A和网络图中B和C的内容。并说明A的要求。
3.计算本工程的总工期,并指出关键线路。
4.事件一中有何不妥之处;并写出正确的做法及处理方案。
5.事件二中有何不妥之处,并写出正确做法。发现管线焊缝开裂后应如何处理?