1、根据《建设工程监理规范》GB/T5039—203,第一次工地会议纪要由()负责整理。
A.建设单位
B.设计单位
C.施工项目部
D.项目监理机构
本题答案:
D
2、根据《建设工程监理规范》GB/T50319—013,下列施工控制测量成果及保护措施中,项目监理机构复核的内容不包括()。
A.施工单位测量人员的资格证书
B.施工平面控制网的测量成果
C.测量设备的养护记录
D.控制桩的保护措施
本题答案:
C
3、在工程施工过程中,检查施工现场工程建设各方主体的质量行为,是()的主要任务。
A.建设单位
B.监理单位
C.工程质量监督机构
D.工程质量检测机构
本题答案:
C
4、根据有关标准,对有抗震设防要求的主体结构,纵向受力钢筋的屈服强度实测值与强度标准值的比例不应大于()
A.1.30
B.135
C.1.40
D.1.45
本题答案:
A
5、ISO质量管理体系提出的“持续改进”质量管理原则,其核心内容是()。
A.需求的变化要求组织不断改进
B.确立挑战性的改进目标
C.提高有效性和效率
D.全员参与
本题答案:
C
6、ISO质量管理体系运行中,体系要素管理到位的前提和保证是()。
A.管理体系的适时管理
B.管理体系的行为到位
C.管理体系的适中控制
D.管理体系的识别能力
本题答案:
D
7、关于样本中位数的说法,正确的是()。
A.样本数为偶数时,中位数是数值大小排序后居中两数的平均值
B.中位数反映了样本数据的分散状况
C.中位数反映了中间数据的分布
D.样本中位数是样本极差值的平均值
本题答案:
A
8、关于抽样检验的说法,正确的是()。
A.计量抽样检验是对单位产品的质量采取计数抽样的方法
B.一次抽样检验涉及3个参数,二次抽样检验涉及5个参数
C.一次抽样检验和二次抽样检验均为计量抽样检验
D.一次抽样检验和二次抽样检验均涉及3个参数,即批量、样本数和合格判定数
本题答案:
B
9、在采用排列图法分析工程质量问题时,按累计频率划分进行质量影响因素分类,次要因素对应的累计频率区间为()。
A.70%~80%
B.80%~90%
C.80%~100%
D.90%~100%
本题答案:
B
10、在工程质量统计分析时,应用控制图观察分析生产状态,应判定为工序异常的是()。
A.连续七点链
B.排列点连续6点下降
C.排列点在连续11点中有6点连续同侧
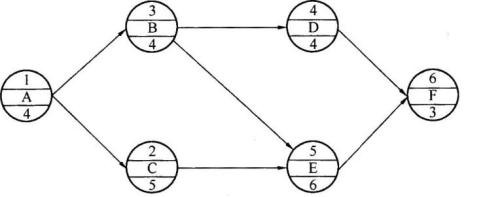
D.排列点连续5点上升
本题答案:
A
11、下列方法中,不属于混凝土结构实体强度检测方法的是()。
A.超声回弹综合法
B.钻芯法
C.回弹仪法
D.超声波对测法
本题答案:
D
12、根据《建设工程监理规范》GB/T50319—2013,项目监理机构应将已审核签认的施工组织设计报送()。
A.工程质量监督机构
B.建设单位
C.监理单位
D.施工单位
本题答案:
B
13、关于钢绞线进场复验的说法,正确的是()。
A.同一规格的钢绞线每批不得大于6吨
B.检验试验必须进行现场抽样
C.力学性能的抽样检验需进行反复弯曲试验
D.抽样检验时,应从每批钢绞线中任选3盘取样送检
本题答案:
D
14、在施工单位提交的下列报审表、报验表中,专业监理工程师签署意见后,总监理工程师还应签署审核意见的是()。
A.分包单位资格报审表
B.施工控制测量成果报验表
C.分项工程质量报验表
D.工程材料、构配件、设备报审表
本题答案:
A
15、工程施工工期应自()中载明的开工日期起计算。
A.工程开工报审表
B.施工组织设计报审表
C.施工控制测量成果报验表
D.工程开工令
本题答案:
D
16、根据《建设工程监理规范》GB/T50319—2013,项目监理机构应根据工程特点和(),确定旁站的关键部位和关键工序。
A.监理规划
B.监理细则
C.施工单位报送的施工组织设计
D.监理合同
本题答案:
C
17、根据《建设工程监理规范》GB/T50319—2013,下列施工单位报审表中,需要总监理工程师签字并加盖执业印章的是()。
A.监理通知回复单
B.施工组织设计报审表
C.分部工程报验表
D.工程复工报审表
本题答案:
B
18、在混凝土矿物掺合料中,不能改善混凝土工作性的活性粉体材料是()。
A.硅灰
B.矿渣粉
C.硅粉
D.粉煤灰
本题答案:
C
19、根据《建设工程监理规范》GB/T503—2013,下列工程资料中,需要建设单位签署审批意见的是()。
A.监理规划
B.施工组织设计
C.工程暂停令
D.超过一定规模的危险性较大的分部分项工程专项施工方案
本题答案:
D
20、监理单位对制造周期长的设备制造过程,质量控制可采用的方式是()。
A.驻厂监造
B.巡回监控
C.定点监控
D.目标监控
本题答案:
B
21、根据《建筑工程施工质量验收统一标准》GB50300—2013,涉及安全、节能、环境保护等项目的专项验收要求,应由()组织专家论证。
A.建设单位
B.监理单位
C.设计单位
D.施工单位
本题答案:
A
22、隐蔽工程为检验批时,隐蔽工程应由()组织进行验收。
A.专业监理工程师
B.总监理工程师
C.施工单位项目负责人
D.建设单位项目负责人
本题答案:
A
23、根据《建筑工程施工质量验收统一标准》GB50300—2013,分部工程质量验收应由()组织。
A.专业监理工程师
B.总监理工程师
C.施工单位项目负责人
D.建设单位项目负责人
本题答案:
B
24、根据《建筑工程施工质量验收统一标准》GB50300—2013,单位工程完工后,()组织对工程质量进行竣工预验收。
A.专业监理工程师
B.总监理工程师
C.施工单位项目负责人
D.建设单位项目负责人
本题答案:
B
25、根据《建筑工程施工质量验收统一标准》GB50300—2013,单位工程质量竣工验收记录表中验收结论由()填写。
A.建设单位
B.监理单位
C.施工单位
D.设计单位
本题答案:
B
26、工程施工质量验收的最小单位是()。
A.分项工程
B.检验批
C.分部工程
D.单项工程
27、下列可能导致工程质量缺陷的因素中,属于施工管理不到位的是()。
A.超常低价中标
B.内力分析有误
C.图纸未经会审
D.盲目套用图纸
28、工程施工过程中发生质量事故造成8人死亡、50人重伤、6000万元直接经济损失,该事故等级属于()。
A.一般事故
B.较大事故
C.重大事故
D.特别重大事故
29、工程施工过程中发生质量事故,项目监理机构应及时签发()。
A.工作联系单
B.监理通知单
C.工程暂停令
D.监理口头指令
30、因施工原因发生工程质量事故,涉及结构安全处理的重大技术处理方案,一般由()提出。
A.施工单位
B.项目监理机构
C.原设计单位
D.法定检测机构
31、工程勘察阶段,监理单位质量控制最重要的工作是审核与评定()。
A.勘察方案
B.勘察合同
C.勘察任务书
D.勘察成果
32、工程设计阶段,监理单位协助建设单位组织施工图设计评审时,评审的重点是()。
A.设计深度是否符合规定
B.施工进度能否实现
C.经济评价是否合理
D.设计标准是否符合预定要求
33、某新建学校项目由教学楼、行政楼等构成,按建设工程项目的划分层次,行政楼属于()。
A.专业工程
B.单项工程
C.单位工程
D.分项工程
34、下列费用中,属于建筑安装工程规费的是()。
A.教育费附加
B.地方教育附加
C.职工教育经费
D.住房公积金
35、按照有关标准规定,对建筑以及材料、构件和建筑安装物进行一般鉴定、检验所发生的费用在()中列支。
A.建筑安装工程材料费
B.建筑安装工程企业管理费
C.建筑安装工程规费
D.工程建设其他费用
36、某招标工程,分部分项工程费为41000万元(其中定额人工费占15%),措施项目费以分部分项工程费的2.5%计算,暂列金额800万元,规费以定额人工费为基础计算,规费费率为8%,税率为9%。则该工程的招标控制价为()万元。
A.46343.530
B.47143.530
C.47215.530
D.47247.794
37、某进口设备,装运港船上交货价(FOB)为50万美元,到岸价(CIF)为51万美元,关税税率为10%,增值税税率为13%,美元的银行外汇牌价为:1美元=6.72元人民币,则该进口设备的增值税为人民币()。
A.43.680
B.48.048
C.44.554
D.49.009
38、某新建项目,建设期2年,第1年向银行借款2000万元,第2年向银行借款3000万元,年利率为6%,则该项目估算的建设期利息为()万元。
A.213.6
B.247.2
C.273.6
D.427.2
39、某施工机械预算价格为30万元,残值率为2%,折旧年限为10年,年平均工作225个台班,采用平均折旧法计算,则该施工机械的台班折旧费为()元。
A.130.67
B.133.33
C.1306.67
D.1333.33
40、某银行给企业贷款100万元,年利率为4%,贷款年限3年,到期后企业一次性还本付息,利息按复利每半年计息一次,到期后企业应支付给银行的利息为()万元。
A.12.000
B.12.616
C.24.000
D.24.973
41、下列方案经济评价指标中,属于偿债能力评价指标的是()。
A.净年值
B.利息备付率
C.内部收益率
D.总投资收益率
42、某建设项目,静态投资3460万元,建设期贷款利息60万元,涨价预备费80万元,流动资金800万元。则该项目的建设投资为()万元。
A.3520
B.3540
C.3600
D.4400
43、关于净现值指标的说法,正确的是()。
A.该指标能够直观地反映项目在运营期内各年的经营成果
B.该指标可直接用于不同寿命期互斥方案的比选
C.该指标小于零时,项目在经济上可行
D.该指标大于等于零时,项目在经济上可行
44、某项目应用价值工程原理进行方案择优,各方案的功能系数和单方造价见下表,则最优方案为()。

A.甲方案
B.乙方案
C.丙方案
D.丁方案
45、能较快发现问题,审查速度快,但问题出现的原因还需继续审查的施工图预算审查方法是()。
A.对比审查法
B.逐项审查法
C.标准预算审查法
D.筛选审查法
46、关于工程量清单的说法,正确的是()。
A.招标文件中工程量清单的准确性和完整性由工程量清单编制单位负责
B.招标文件中分项工程项目清单的项目名称一般以工程实体名称命名
C.招标文件中分部分项工程量清单的项目编码前10位按现行计量规范的规定设置
D.投标人不得对招标文件中的措施项目清单进行调整
47、下列招标文件所列的工程量清单中,不可调整的闭口清单是()。
A.分部分项工程量清单
B.能计量的措施项目清单
C.不能计量的措施项目清单
D.其他项目清单
48、某工程施工过程中发生了一项未在合同中约定的零星工作,增加费用2万元,此费用应列入工程的()中。
A.暂列金额
B.暂估价
C.计日工
D.总承包服务费
49、某工程的工作内容和技术经济指标非常明确,工期10个月,预计施工期间通货膨胀率低,则该工程较适合采用的合同计价方式是()。
A.固定总价合同
B.可调总价合同
C.固定单价合同
D.可调单价合同
50、采用成本加奖罚合同,当实际成本大于预期成本时,承包人可以得到()。
A.工程成本、酬金和预先约定的奖金
B.工程成本和预先约定的奖金,不能得到酬金
C.工程成本,但不能得到酬金和预先约定的奖金
D.工程成本和酬金,但也可能会处予一笔罚金
51、根据《建设工程施工合同(示范文本)》GF—2017—0201,监理人应在收到承包人提交的工程量报告后()天内完成对承包人提交的工程量报表的审核并报送发包人。
A.7
B.14
C.21
D.28
52、根据《建设工程工程量清单计价规范》GB50500—2013,当承包人投标报价中材料单价低于基准单价时,施工期间材料单价跌幅以()为基础,超过合同约定的风险幅度值时,其超过部分按实调整。
A.基准单价
B.投标报价
C.定额单价
D.招标控制价
53、某工程在施工过程中,因不可抗力造成如下损失:(1)在建工程损失10万元;(2)承包人受伤人员医药费和补偿金2万元;(3)施工机具损坏损失1万元;(4)工程清理和修复费用0.5万元。承包人及时向项目监理机构提出了索赔申请,共索赔13.5万元。根据《建设工程施工合同(示范文本)》GF—2017—0201,项目监理机构应批准的索赔金额为()万元。
A.10.0
B.10.5
C.12.5
D.13.5
54、已签约合同价中的暂列金额由()负责掌握使用。
A.承包人
B.监理人
C.贷款人
D.发包人
55、承包人在施工中遇到了一个有经验的承包人也难以预测的不利物质条件,导致承包人成本增加和工期延误,则承包人可索赔()。
A.增加的成本,延误的工期和相应利润
B.延误的工期,不能索赔增加的成本和相应利润
C.增加的成本,不能索赔延误的工期和相应利润
D.增加的成本和延误的工期,不能索赔相应利润
56、某土方工程,月计划工程量2800m3,预算单价25元/m3;到月末时已完成工程量3000m3,实际单价26元/m3。对该项工作采用赢得值法进行偏差分析的说法,正确的是()。
A.已完成工作实际费用为75000元
B.投资绩效指标>1,表明项目运行超出预算投资
C.进度绩效指标<1,表明实际进度比计划进度拖后
D.投资偏差为-3000元,表明项目运行超出预算投资
57、在工程项目实施阶段,项目监理机构及时为承包商办理工程预付款,属于项目监理机构在进度目标控制过程中采取的()。
A.组织措施
B.技术措施
C.经济措施
D.合同措施
58、在建设工程实施阶段进度控制的主要任务中,属于施工阶段的任务是()。
A.编制工程项目总进度计划
B.进行环境及施工现场条件的调查和分析
C.编制详细的出图计划,并控制其执行
D.编制单位工程施工进度计划,并控制其执行
59、在施工单位的进度计划系统中,依据()确定施工作业所必需的劳动力、施工机具和材料供应计划。
A.施工总进度计划
B.单位工程施工进度计划
C.施工准备工作计划
D.分部分项工程进度计划
60、与横道计划相比,网络计划的主要特点包括()。
A.形象、直观、易于编制
B.表达各项工作之间的逻辑关系不准确
C.不能明确工程进度控制中的工作重点
D.可以明确各项工作的机动时间
61、非节奏流水施工具有的特点是()。
A.各施工过程在各施工段的流水节拍相等
B.相邻施工过程的流水步距相等
C.专业工作队数等于施工过程数
D.各专业工作队在施工段之间没有空闲时间
62、某分部工程有3个施工过程,分为4个施工段组织加快的成倍节拍流水施工,各施工过程流水节拍分别是6天、6天、9天,则该分部工程的流水施工工期是()天。
A.24
B.30
C.36
D.54
63、在有足够工作面和资源的前提下,施工工期最短的施工组织方式是()。
A.依次施工
B.搭接施工
C.平行施工
D.流水施工
64、双代号网络计划中虚工作的含义是指()。
A.相邻工作间的逻辑关系,只消耗时间
B.相邻工作间的逻辑关系,只消耗资源
C.相邻工作间的逻辑关系,消耗资源和时间
D.相邻工作间的逻辑关系,不消耗资源和时间
65、根据网络计划时间参数计算得到的工期称之为()。
A.计划工期
B.计算工期
C.要求工期
D.合理工期
66、网络计划中,工作总时差是本工作可以利用的机动时间,但其前提是()。
A.不影响紧后工作最迟开始
B.不影响紧后工作最早开始
C.不影响紧后工作最早完成
D.不影响后续工作最早完成
67、某工程网络计划如下图所示(时间单位:天),图中工作E的最早完成时间和最迟完成时间分别是()天。

A.8和10
B.5和7
C.7和10
D.5和8
68、某工程网络计划如下图所示(时间单位:天),图中工作D的自由时差和总时差分别是()天。

A.0和3
B.1和0
C.1和1
D.1和3
69、某工程的网络计划如下图所示(时间单位:天),图中工作B和E之间、工作C和E之间的时间间隔分别是()天。

A.1和0
B.5和4
C.0和0
D.4和4
70、当网络计划的计算工期大于要求工期时,为满足工期要求,可采用的调整方法是压缩()的工作的持续时间。
A.持续时间最长
B.自由时差为零
C.总时差为零
D.时间间隔最小
71、单代号搭接网络计划中,关键线路的特点是线路上的()。
A.关键工作总时差之和最大
B.工作时距之和最小
C.相邻工作无混合搭接关系
D.相邻工作时间间隔为零
72、工程总费用由直接费和间接费组成,随着工期的缩短,直接费和间接费的变化规律是()。
A.直接费减少,间接费增加
B.直接费和间接费均增加
C.直接费增加,间接费减少
D.直接费和间接费均减少
73、某工作实施过程中的S曲线如下图所示,图中a和b两点的进度偏差状态是()。

A.a点进度拖后和b点进度拖后
B.a点进度拖后和b点进度超前
C.a点进度超前和b点进度拖后
D.a点进度超前和b点进度超前
74、某工程进度计划执行过程中,发现某工作出现了进度偏差,经分析该偏差仅对后续工作有影响而对总工期无影响。则该偏差值应()。
A.大于总时差,小于自由时差
B.大于总时差,大于自由时差
C.小于总时差,小于自由时差
D.小于总时差,大于自由时差
75、在建设工程设计阶段,会对进度造成影响的因素之一是()。
A.可行性研究
B.建设意图及要求
C.工程材料供货洽谈
D.设计合同洽谈
76、监理工程师在审查施工进度计划的过程中发现问题,应采取的措施之一是()。
A.向承包单位提出整改通知书
B.向建设单位提出指令单
C.向承包单位提出工程暂停令
D.向建设单位提出建议书
77、项目监理机构发布工程开工令的依据是()。
A.施工承包合同约定
B.工程开工的准备情况
C.批准的施工总进度计划
D.施工图纸的准备情况
78、调整施工进度计划时,为了缩短某些工作的持续时间,可采取的技术措施之一是()。
A.增加施工机械的数量
B.实行包干加奖励
C.改善外部配合条件
D.采用更先进的施工机械
79、当施工单位发生进度拖延且又未按监理工程师的指令改变延期状态时,监理工程师可以采取的手段是()。
A.中止施工承包合同
B.拒绝签署付款凭证
C.向施工单位发出工程暂停令
D.调整施工计划工期
80、通过缩短某些工作的持续时间对施工进度计划进行调整的方法,其主要特点是()。
A.增加网络计划中的关键线路
B.不改变工作之间的先后顺序关系
C.增加工作之间的时间间隔
D.不改变网络计划中的非关键线路
81、工程竣工验收时,应当具备的条件有()。
A.上级部门的批准文件
B.有完整的技术档案与施工管理资料
C.工程竣工验收备案表
D.勘察、设计、施工、监理等单位分别签署的质量合格文件
E.施工单位签署的工程保修书
82、勘察单位对其编制的勘察文件质量负责,应履行的主要职责有()。
A.审查基础工程施工方案
B.参与施工验槽
C.解决工程施工中的勘察问题
D.提出因勘察原因造成质量事故的技术处理方案
E.提出因设计原因造成质量事故的技术处理方案
83、根据质量管理体系标准要求,监理单位质量管理体系文件由()组成。
A.规范与标准
B.设计文件与图纸
C.质量手册
D.程序文件
E.作业文件
84、在钢材进场时,应按相关标准进行检验,检验的主要内容包括()。
A.产品合格证
B.运输通行证
C.出厂检验报告
D.货物单据
E.进场复验报告
85、在对进场水泥检验时,应判定为不合格的情况有()。
A.包装标志的水泥品种、强度等级、厂家名称等不全的
B.出厂超过三个月时间的
C.强度低于标准相应强度等级规定指标的
D.混合材料掺加量超过最高限量的
E.终凝时间不符合相应产品标准的
86、工程采用新工艺、新技术、新材料时,应满足的要求包括()。
A.完成了相应试验并有相关质量指标
B.有权威性的技术鉴定书
C.制定了质量标准和工艺规程
D.符合现行强制性标准规定
E.有类似工程的应用
87、分包工程开工前,项目监理机构应审核施工单位报送的《分包单位资格报审表》及有关资料,对分包单位资格审核的基本内容包括()。
A.分包单位资质及其业绩
B.分包单位专职管理人员和特种作业人员资格证书
C.安全生产许可文件
D.施工单位对分包单位的管理制度
E.分包单位施工规划
88、在工程施工中,总监理工程师应及时签发工程暂停令的情形有()。
A.建设单位要求暂停施工经论证没必要暂停的
B.施工单位未按审查通过的工程设计文件施工的
C.施工单位拒绝项目监理机构管理的
D.施工单位违反工程建设强制性标准的
E.施工单位存在重大质量、安全事故隐患的
89、对施工单位提出的工程变更,总监理工程师应履行的职责有()。
A.组织专业监理工程师审查变更申请并提出审查意见
B.提交原设计单位修改工程设计文件
C.组织专业监理工程师对变更费用及工期影响作出评估
D.组织相关单位共同协商变更费用及工期变化
E.组织会签工程变更单
90、设备制造过程质量状况记录资料的主要内容有()。
A.设备制造单位质量管理检查资料
B.设备制造依据及工艺资料
C.设备制造材料的质量记录
D.设备制造过程的检查验收资料
E.设备订货的合同文件
91、根据《建筑工程施工质量验收统一标准》GB50300—2013,分项工程可按()划分。
A.施工工艺
B.设备类别
C.专业性质
D.施工程序
E.主要工种
92、工程施工过程中,检验批现场验收检查的原始记录应由()共同签署。
A.建设单位项目负责人
B.施工单位项目技术负责人
C.施工单位专业质量检查员
D.专业监理工程师
E.施工单位专业工长
93、根据《建筑工程施工质量验收统一标准》GB50300—2013,分部工程质量验收合格的规定有()。
A.主控项目的质量均应验收合格
B.所含主要分项工程的质量验收合格
C.有关环境保护抽样检验结果符合规定
D.观感质量应符合要求
E.质量控制资料应完整
94、工程施工过程中,质量事故处理的基本要求有()。
A.安全可靠,不留隐患
B.满足工程的功能和使用要求
C.技术可行,经济合理
D.满足建设单位的要求
E.造型美观,节能环保
95、工程施工过程中,质量事故处理方案的类型有()。
A.修补处理
B.返工处理
C.补强处理
D.不做处理
E.检测处理
96、根据《建设工程监理规范》GB/T50319—2013,如提供设计阶段相关服务,监理单位应审查设计成果并提出评估报告,其评估报告的主要内容有()。
A.设计工作概况
B.设计深度的符合情况
C.设计任务书的完成情况
D.有关部门的备案情况
E.存在的问题及建议
97、项目监理机构在施工阶段投资控制的主要工作有()。
A.进行工程计量
B.对完成工程量进行偏差分析
C.审核竣工结算款
D.审核竣工决算款
E.处理费用索赔
98、下列费用中,属于建筑安装工程人工费的有()。
A.特殊地区施工津贴
B.劳动保护费
C.社会保险费
D.职工福利费
E.支付给个人的物价补贴
99、下列费用中,属于建筑安装工程施工机具使用费的有()。
A.施工机械临时故障排除所需的费用
B.机上司机的人工费
C.财产保险费
D.仪器仪表使用费
E.施工机械大修理费
100、取得国有土地使用费包括()。
A.土地使用权出让金
B.青苗补偿费
C.城市建设配套费
D.拆迁补偿费
E.临时安置补助费
101、关于投资回收期的说法,正确的有()。
A.静态投资回收期就是方案累计现值等于零时的时间(年份)
B.静态投资回收期是在不考虑资金时间价值的条件下,以项目的净收益回收其全部投资所需要的时间
C.静态投资回收期可以从项目投产年开始算起,但应予以注明
D.静态投资回收期可以从项目建设年开始算起,但应予以注明
E.动态投资回收期一般比静态投资回收期短
102、在价值工程的应用中,可用于方案创造的方法有()。
A.因素分析法
B.头脑风暴法
C.强制确定法
D.哥顿法
E.德尔菲法
103、建筑工程概算编制的基本方法有()。
A.实物量法
B.扩大单价法
C.概算指标法
D.估算指标法
E.预算单价法
104、关于投标报价的说法,正确的有()。
A.投标报价中的某些分项工程报价可高于对应项目的招标控制价
B.招标文件中工程量清单项目特征描述与设计图纸不符时,投标人应以图纸的项目特征描述为准,确定投标报价的综合单价
C.措施项目中的安全文明施工费不得作为投标报价中的竞争性费用
D.投标人不得更改投标文件中工程量清单所列的暂列金额
E.计日工的报价应按工程造价管理机构公布的单价计算
105、根据《建设工程工程量清单计价规范》GB50500—2013,其他项目清单中的暂估价包括()。
A.人工暂估价
B.材料暂估价
C.工程设备暂估价
D.专业工程暂估价
E.非专业工程暂估价
106、下列工程量中,监理理人应予计量的有()。
A.发包人设计变更增加的工程量
B.承包人原因施工质量超出合同要求增加的工程量
C.承包人超出设计图纸要求增加的工程量
D.监理人对隐蔽工程重新检查,经检验证明工程质量符合合同要求而增加的工程量
E.承包人原因导致返工的工程量
107、下列导致承包人成本增加和工期延误的索赔事件中,根据FIDIC《施工合同条件》1999年第一版,发包人可以给予承包人补偿工期、成本和利润的事件有()。
A.现场发现化石、硬币或有价值的文物
B.法规改变
C.文件有缺陷或技术性错误
D.发包人未能提供现场
E.延误的图纸或指示
108、下列费用中,承包人可以获得补偿的有()。
A.异常恶劣气候导致的人员窝工费
B.发包人责任导致工效降低所增加的人工费用
C.法定人工费增长增加的费用
D.发包人责任导致的施工机械窝工费
E.发包人责任引起工程延误导致的材料价格上涨费
109、关于建设工程网络计划技术特征的说法,正确的有()。
A.计划评审技术(PERD)、图示评审技术(GERT)、风险评审技术(VERT)、关键线路法(CPM)均属于非确定型网络计划
B.网络计划能够明确表达各项工作之间的逻辑关系
C.通过网络计划时间参数的计算,可以找出关键线路和关键工作
D.通过网络计划时间参数的计算,可以明确各项工作的机动时间
E.网络计划可以利用电子计算机进行计算、优化和调整
110、在对建设工程实施全过程监理的情况下,监理单位总进度计划的编制依据有()。
A.施工单位的施工总进度计划
B.工程项目建设总进度计划
C.设计单位的设计总进度计划
D.工程项目可行性研究报告
E.工程项目前期工作计划
111、下列各类参数中,属于流水施工参数的有()。
A.工艺参数
B.定额参数
C.空间参数
D.时间参数
E.机械参数
112、下列建设工程进度影响因素中,属于业主因素的有()。
A.提供的场地不能满足工程正常需要
B.施工计划安排不周密导致相关作业脱节
C.临时停水、停电、断路
D.不能及时向施工承包单位付款
E.外单位临近工程施工干扰
113、某工程网络图如下图所示,根据网络图的绘图规则,图中存在的错误有()。

A.存在循环回路
B.存在无箭头的连线
C.箭线交叉处理有误
D.存在多起点节点
E.节点编号有误
114、某工程进度计划如下图所示(时间单位:天),图中的正确信息有()。

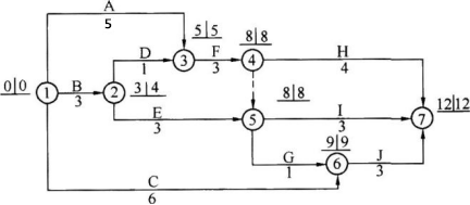
A.关键节点组成的线路1—3—4—5—7为关键线路
B.关键线路有两条
C.工作E的自由时差为2天
D.工作E的总时差为2天
E.开始节点和结束节点为关键节点的工作A、工作C为关键工作
115、关于双代号时标网络计划特点的说法,正确的有()。
A.无虚箭线的线路为关键线路
B.无波形线的线路为关键线路
C.波形线的长度为相邻工作之间的时间间隔
D.工作的总时差等于本工作至终点线路上波形线长度之和
E.工作的最早开始时间等于工作开始节点对应的时标刻度值
116、网络计划的工期优化过程中,压缩关键工作的持续时间应优先选择()的工作。
A.有充足备用资源
B.对质量影响较大
C.所需增加费用最少
D.持续时间最长
E.紧后工作最少
117、某项工作的计划进度、实际进度横道图如下图所示,检查时间为第6周末,图中正确的信息有()。

A.第1周末进度正常
B.第2周末进度拖延5%
C.第3周没有作业
D.第5周末进度超前5%
E.检查日的进度正常
118、某双代号时标网络计划执行过程中的实际进度前锋线如下图所示,计划工期为12周,图中正确的信息有()。

A.工作E进度正常,不影响总工期
B.工作G进度拖延1周,影响总工期1周
C.工作H进度拖延1周,影响总工期1周
D.工作I最早开始时间调后1周,计算工期不变
E.根据第7周末的检查结果,压缩工作K的持续时间1周,计划工期不变
119、下列导致工程拖期的原因或情形,监理工程师按合同规定可以批准工程延期的有()。
A.异常恶劣的气候条件
B.属于承包单位自身以外的原因
C.工程拖期事件发生在非关键线路上,且延长的时间未超过总时差
D.工程拖期的时间超过其相应的总时差,且由分包单位原因引起
E.监理工程师对已隐蔽的工程进行剥离检查,经检查合格而拖期的时间
120、项目监理机构对施工进度计划审核的主要内容有()。
A.施工进度计划应符合施工合同中工期的约定
B.对施工进度计划执行情况的检查应符合动态要求
C.施工顺序的安排应符合施工工艺要求
D.施工人员、工程材料、施工机械等资源供应计划应满足施工进度计划的需要
E.施工进度计划应符合建设单位提供的资金、施工图纸等施工条件