2021年一级建造师《市政公用工程管理与实务》密押卷
A.含水量
B.抗剪强度
C.密实状态
D.塑性指数
C
A.错位
B.壅包
C.反射裂缝
D.温度裂缝
C
A.防水卷材应平整顺直,搭接尺寸应准确,不得扭曲、皱褶
B.卷材的展开方向应与车辆的运行方向垂直
C.卷材应采用沿桥梁纵、横坡从低处向高处的铺设方法
D.高处卷材应压在低处卷材之上
B
A.在同一根钢筋上宜少设接头
B.钢筋接头应设在受力较小区段,不宜位于构件的最大弯矩处
C.接头末端至钢筋弯起点的距离不得小于钢筋直径的10倍
D.钢筋接头部位横向净距不得小于钢筋直径,且不得小于20mm
D
A.必须有足够承载力
B.严禁被水浸泡
C.必须满铺钢板
D.冬期施工必须采取防冻胀措施
C

A.b→c→a
B.a→b→c
C.c→b→a
D.b→a→c
B
A.预留孔洞
B.后浇带
C.施工缝
D.变形缝
A
A.①→②→③→④→⑤
B.①→④→②→③→⑤
C.①→④→③→②→⑤
D.①→②→④→③→⑤
B
A.墩式
B.裙边
C.抽条
D.满堂
D
A.原水→简单处理
B.原水→接触过滤→消毒
C.原水→调蓄预沉→混凝→沉淀或澄清→过滤→消毒
D.原水→混凝→沉淀或澄清→过滤→消毒
D
A.曝气池
B.沉砂池
C.氧化沟
D.脱氮除磷池
B
A.测定水池中水位之前12h
B.测定水池中水位之后12h
C.测定水池中水位的同时
D.测定水池中水位之后8h
C
A.1.4
B.1.6
C.1.8
D.2.0
D
A.砂石层
B.土工布
C.HDPE膜
D.GCL垫
A
A.坡度检测
B.厚度检测
C.平整度检测
D.压实度检测
D
A.年度和季度施工计划是总进度的重要节点目标
B.总工期跨越三个年度的进度计划
C.按年度计划编制季度施工计划
D.发现进度计划执行受到干扰时应及时采取调整措施
D
A.混凝土的收缩变形
B.内外约束条件的影响
C.入模方式
D.水化热引起的温度变形
C
A.检定期限不得超过3个月,或不得超过200次张拉作业
B.检定期限不得超过半年,或不得超过200次张拉作业
C.检定期限不得超过3个月,且不得超过200次张拉作业
D.检定期限不得超过半年,且不得超过200次张拉作业
D
A.原状地基
B.砂石基础
C.混凝土基础
D.砌块基础
D
A.建设
B.设计
C.监理
D.施工
C
A.根据测量中线和边桩开挖
B.压路机不小于8t级,碾压应自路两边向路中心进行
C.机械开挖时,在距直埋缆线1m范围内必须采用人工开挖,挖方段不得超挖,应留有碾压到设计标高的压实量
D.挖土时应自上向下分层开挖,必要时可以掏洞开挖
E.过街雨水支管沟槽及检查井周围应用石灰土或石灰粉煤灰砂砾填实
A,E
A.强度低
B.透水性差
C.压缩性低
D.孔隙比小
E.天然含水量较高
A,B,E
A.冷拉伸长值
B.弹性回缩值
C.张拉伸长值和内置长度
D.孔道长度
E.千斤顶长度
A,B,D,E
A.正循环回转钻机
B.反循环回转钻机
C.钻孔扩底
D.长螺旋钻机
E.旋挖钻机
A,B,E
A.刚度大、强度大
B.适用于所有地层
C.隔水性好
D.导墙结构对地基无特殊要求
E.可兼作为主体结构的一部分
A,B,C,E
A.5m基坑工程
B.滑模模板工程
C.人工挖孔桩12m
D.顶管法施工的隧道工程
E.采用常规设备起吊250kN的起重设备安装工程
某项目部承建一城市主干路工程。该道路总长2.6km,其中K0+550~K1+220穿过农田。道路宽度为30m,路面结构为:20cm石灰稳定土底基层,40cm水泥稳定砂砾基层,15cm改性SMA面层,路基为0.5m~1.0m的填土。在农田路段路基填土施工时,项目部排除了农田积水,在原状地表土上填方0.2m,并按压实度标准压实后达到设计路基标高。路基填料选择高液限黏性土直接进行回填、压实。
底基层施工过程中,为了节约成本,项目部就地取土(包括农田地表土)作为石灰稳定土用土。沥青混凝土面层施工时正值雨期,项目部制订了雨期施工质量控制措施:①加强与气象部门、沥青拌合厂的联系,并根据雨天天气变化,及时调整产品供应计划;②沥青混合料运输车辆采取防雨措施。
其中K0+600~K0+800设置了一段挡土墙,挡土墙横断面示意图如下:

路基工程施工前项目部进行了技术交底,技术交底工作由项目经理主持,向施工人员进行了口头交底。
问题:
1.指出农田路基填土施工措施中的错误,请改正。
2.是否允许采用农田地表土作为石灰稳定土用土?说明理由。
3.沥青混凝土面层雨期施工质量控制措施不全,请补充。
4.写出正确的技术交底程序。
5.写出构件A、B的名称。
某市政H公司承接了一座多跨预应力箱梁桥。该桥为斜拉桥,索塔采用裸塔形式,跨河流段宽度为60m。桥梁基础采用钻孔灌注桩形式,双柱式桥墩,柱高为18m,桥梁上部结构采用普通钢筋混凝土盖梁。上部结构0号块采用墩顶混凝土现浇施工,临时固结构造示意图如下图所示。

施工中发生如下事件:
事件一:项目部编制了施工方案:①索塔施工时宜用劲性骨架挂模提升法。②悬臂浇筑混凝土时,宜从悬臂后端开始,最后浇筑悬臂前端模板处。③预应力混凝土连续梁合龙顺序一般是先边跨、后次跨、再中跨。④合龙前应按设计规定,将两悬臂端合龙口予以临时连接,并将合龙跨一侧墩的临时锚固放松或改成活动支座。⑤合龙宜在一天中中午时分进行。⑥梁跨体系转换时,支座反力的调整应以反力为主。
事件二:项目部通过测量挂篮前端的垂直变形值以及施工中已浇筑段的实际高程确定了悬臂浇筑段前段高程。
事件三:施工单位编写了挂篮悬臂浇筑安全专项施工方案,制定了详细的安全技术措施,设置了合格的登高梯道、高处作业平台及护栏,做好个人安全防护,施工前组织有关人员进行了安全技术交底。
事件四:安全检查时,由项目部安全员对施工现场每日巡检。
事件五:工程完工后,建设单位组织有关人员进行检查评定,整改完成后提交工程竣工验收报告,由施工单位负责人组织相关单位进行工程验收工作。
问题:
1.请写出临时固结构造示意图中A、B、C的名称。
2.改正事件一中项目部编制方案的错误之处。
3.事件二中项目部考虑的因素不完整,请补充。
4.列出从事挂篮悬臂浇筑的施工作业人员应该采取的主要高处作业个人安全防护措施。
5.事件四中的安全检查属于哪种形式?除此以外,安全检查还有哪些形式?
6.事件五中有何错误?
某市政工程公司的施工项目部负责某旧桥梁拆除工程施工,现场专职安全员对拆除工程的安全生产负全面领导责任。
拆除作业前,项目部针对施工方案组织了专家论证并对具体施工作业人员进行了详细的口头安全技术交底。拆除作业的脚手架、安全网由拆除作业人员搭设,经安全员验证后,投入使用。拆除作业施工区域周围用警示线围起。
拆除作业中,项目部采用机械拆除方式,由下至上,逐层分段进行;先拆除承重结构,再拆除非承重结构。
安全管理过程中,项目部严格把好安全生产“六关”,并按照规范进行安全教育和培训工作。现场组成了安全管理领导小组,项目部每月都进行一次安全施工检查工作。
建设单位在桥梁拆除工程竣工验收后3个月内,向城建档案馆报送了一套符合规定的建设工程档案。
问题:
1.拆除作业前,项目部的做法有无不妥之处?若有,请改正。
2.项目部采取机械拆除方式,其施工顺序是否正确?若不正确,请改正。
3.专家论证的主要内容有哪些?
4.安全生产“六关”指什么?
5.安全管理领导小组都由哪些人员组成?
某公司承建道路改建工程,其中有一座居民区过街天桥,主梁为三跨单箱双室钢箱梁,高850mm,跨径为16.3m+17.5m+16.5m;主梁和梯步设有圆墩柱支撑,墩柱为杯口基础;基础下设φ1200mm钻孔灌注桩,深18.0m,分别设在主干道的绿化隔离带内;钢箱梁分为三段预制,现场拼装焊接。
施工过程发生如下事件:
事件1:为避免泥浆污染和地下潜水干扰,项目部将机械成孔改为人工挖孔施工,同时将灌注桩径扩大为φ1500mm,深度减至15.0m;
事件2:吊运钢梁正值6月初,为满足施工工期要求,深夜吊运安装钢箱梁遭到附近居民投诉,被城管部门停工5天。
问题:
1.本工程开工前应做好哪些准备工作?
2.给出事件1项目部变更桩基施工方案应注意的事项。
3.分析事件2中遭到居民投诉的原因。
4.被城管部门停工5天,项目部可否提出索赔。
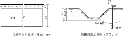
某施工单位承接了一项市政排水管道工程,基槽采用明挖法放坡开挖施工,机械开挖,采用水泥抹面进行护坡。基槽宽度为6.5m,开挖深度为5m,场地内地下水位于地表下1m,施工单位拟采用轻型井点降水,真空井滤料上方使用A封堵。井点的布置方式和降深等示意图如下:

施工单位组织基槽开挖、管道安装和土方回填三个施工队流水作业,并按Ⅰ、Ⅱ、Ⅲ划分三个施工队,根据合同工期要求绘制网络进度图如下:

施工过程中发生了如下事件:
事件一:施工单位为加快施工进度,机械开挖至槽底高程,由于控制不当,局部超挖达120mm。
事件二:管道II在回填的时候,因堆土在沟槽一侧,施工队为施工方便采用机械从一侧进行回填,导致部分管线焊缝开裂。
问题:
1.指出降水井点布置及降水深度的不妥之处,并写出正确的做法。
2.指出沟槽剖面示意图A和网络图中B和C的内容。并说明A的要求。
3.计算本工程的总工期,并指出关键线路。
4.事件一中有何不妥之处;并写出正确的做法及处理方案。
5.事件二中有何不妥之处,并写出正确做法。发现管线焊缝开裂后应如何处理?